Перейти к содержимому
Войти

Газоснабжение гостиницы. Установка уличных водогрейных котлов.

1
2
27
0
0
20

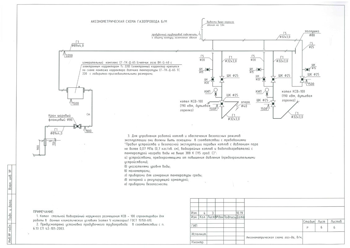
Газоснабжение гостиницы. Установка двух водогрейных уличных котлов. Установка узла учета.

1. Настоящая рабочая документация разработана на основании:
- Задания на проектирование от 29.03.2019 года.
Исходные материалы:
- Технические условия АО "Газпром газораспределение Краснодар" от 29.03.2019 года № ТУ-СО-01/9-04-23/544.
2. Сейсмичность проектирования 7 баллов (Строительство в сейсмических районах Краснодарского края СНКК 22-301-2000).
3. Здание "Деловое управление" является сейсмостойким для района сейсмичностью 7 баллов .
4. Рабочие чертежи разработаны в соответствие с действующими нормами, правилами и стандартами.
5. Надземный газопровод покрыть 2-мя слоями грунтовки ГФ-021 ГОСТ 25129-82* с последующей окраской 2-мя слоями желтой эмали ПФ-115 ГОСТ 6465-76, пригодной для наружных работ. Производство работ по подготовке и окраске труб надземного газопровода выполнить в соответствии с требованиями ГОСТ 9.402-2004 на базах монтажных организаций.
6. Котел стальной водогрейный наружного размещения КСВ - 100 спроектирован для работы в данных климатических условиях (котел У категории1 ГОСТ 15150-69).
7. Установку котла произвести на железобетонной площадке, высотой 10-15см над уровнем земли, покрытой несгораемыми материалами с негладкой и нескользкой поверхностью.
8. Необходимо обеспечить содержание котлов в исправном состоянии, а также безопасные условия их работы, организовав обслуживание, ремонт и надзор в соответствии с требованиями "Правила устройства и безопасной эксплуатации паровых котлов с давлением пара не более 0,07 МПа (0,7 кгс/кв. см), водогрейных котлов и водоподогревателей с температурой нагрева воды не выше 388 К (115 град. C)").
9. Углы поворота, опуски и подъемы надземного газопровода выполняют роль участков самокомпенсации.
10. В проекте за отм. 0.000 принят уровень чистого пола котельной и столовой.
11. Газовое оборудование и материалы, используемые при монтаже должны иметь сертификаты на соответствие требованиям стандартов (технических условий, регламентов) и нормативных документов, утвержденных в установленном порядке.
12. Сварные соединения сварных труб должны быть равнопрочны основному металлу или иметь гарантированный заводом-изготовителем согласно стандарту или техническим условиям на трубы коэффициент прочности сварного соединения.
13. Запрещается эксплуатировать газоиспользующее оборудование при неисправности газовой сети, дымохода или автоматики.
14. Бетонная площадка водогрейных котлов не связываются с фундаментом здания, чтобы каждый из них имел независимую осадку.


Сообщить о проблеме
Дата
10.02.2026
Язык
Русский
Состав
ГСВ, спецификация
Софт
AutoCAD 2010 Как открыть?
Отзывов пока нет
Задать вопрос
Содержимое архива
  • icon-dwg ГСВ.dwg
Чтобы скачать чертеж, 3D модель или проект, Вы должны зарегистрироваться и принять участие в жизни сайта. Посмотрите, как тут скачивать файлы
Отзывов пока нет
Чтобы оставить отзыв, необходимо войти
Войти с помощью:

Используя функцию входа через сторонние сервисы, Вы соглашаетесь на обработку персональных данных в соответствии с Политикой конфиденциальности