Перейти к содержимому
Войти

Проект газоснабжения котельной с котлами GEFFEN MB 3.1 - 145

0
0
39
0
0
100

Проект газоснабжения котельной с котлами GEFFEN MB 3.1 - 145.

Основанием для разработки данного проекта является:
‐ Задание на проектирование.
Максимальная нагрузка (суммарный максимальный часовой расход газа): 32,8 м³/ч.
Давление газа в точке подключения, согласно ТУ:
‐ максимальное: Р = 5,0 кПа;
‐ фактическое (расчетное): Р = 1,2-2,0 кПа.
По рабочему давлению транспортируемого газа проектируемые газопроводы относится к газопроводам низкого давления.
Обозначение системы – Г1.
Транспортируемая среда - природный газ, отвечающий требованиям ГОСТ 5542-2014.
Низшая теплота сгорания природного газа – 8000 ккал/м³;
Плотность природного газа в нормальных условиях – 0,73 м³/кг


Сообщить о проблеме
Дата
17.03.2026
Язык
Русский
Состав
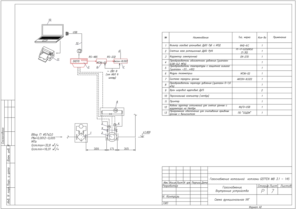
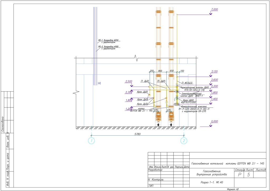
3д, План теплогенераторной. М1:25. Схема аксонометрическая газопроводов теплогенераторной. Схема газопроводов и дымоходов теплогенераторной. Разрез 1-1. Разрез 2-2. Схема функциональная УУГ
Софт
Отзывов пока нет
Задать вопрос
Содержимое архива
  • icon-doc ГСВ_ПЗ.docx
  • icon-dwg ГСВ_чертежи_3D.dwg
Чтобы скачать чертеж, 3D модель или проект, Вы должны зарегистрироваться и принять участие в жизни сайта. Посмотрите, как тут скачивать файлы
Отзывов пока нет
Чтобы оставить отзыв, необходимо войти
Войти с помощью:

Используя функцию входа через сторонние сервисы, Вы соглашаетесь на обработку персональных данных в соответствии с Политикой конфиденциальности