Перейти к содержимому
Войти

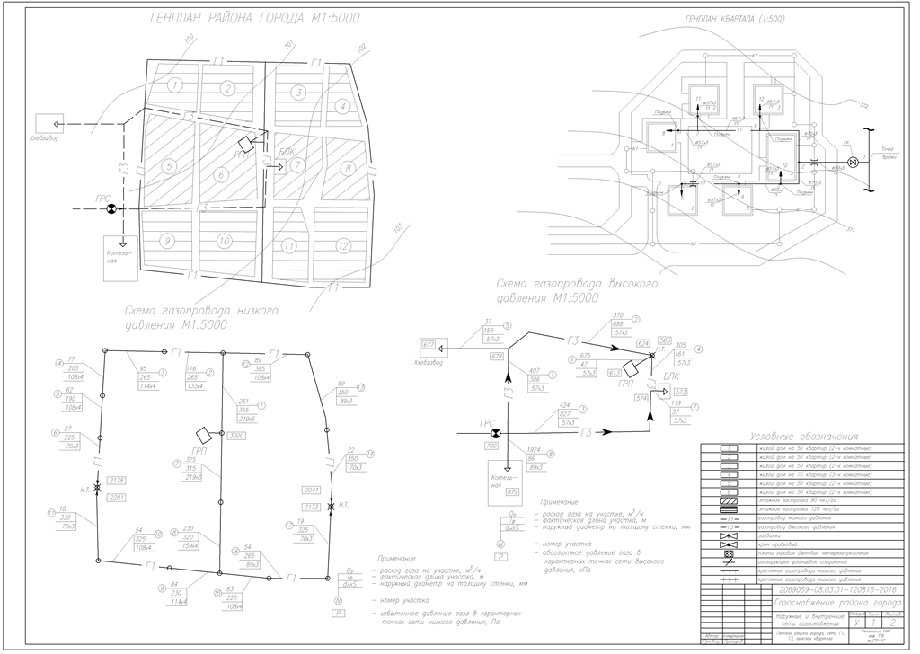
Газоснабжение района г. Сызрань.

0
0
21
0
0
40

Пензенский государственный университет архитектуры и строительства
Кафедра "Теплогазоснабжения и вентиляции".
Курсовая работа на тему: "Газоснабжение района города".
Пенза 2015 год.

1 Исходные данные
1. Район строительства: г. Сызрань.
2. Город снабжается природным газом месторождения Медвежье.
3. Давление газа в городской распределительной сети высокого давления 0,6 МПа (изб.).
4. Охват газоснабжением:
• жилых зданий при наличии только бытовых плит: 30%;
• жилых зданий при наличии бытовых плит и ЦГВС: 30%;
• жилых зданий при наличии бытовых плит и проточных водонагревателей: 40%;
• объектов отопления и вентиляции: 100%.
5. Горелка типа ПД с характеристиками:
• Qт = 150 кВт;
• ΔP = 2000 Па.

Содержание

Введение 3
1 Исходные данные 4
2 Определение характеристик газа 5
3 Определение численности населения района города 8
4 Определение годовых расчётных расходов газа 9
5 Система и схема газоснабжения 15
6 Распределение потребителей газа по давлению 16
7 Гидравлический расчет сети низкого давления 17
8 Гидравлический расчет сети высокого давления 22
9 Гидравлический расчёт квартальной сети 27
10 Гидравлический расчёт внутридомового газопровода 30
11 Расчёт, подбор и настройка оборудования сетевого ГРП 34
12 Расчёт горелки 38
УНИРС. Схема установки бытовой газовой плиты 41
Список использованных источников 43
Приложение А (обязательное). Расчёт сети газопровода низкого давления на ЭВМ 44


Сообщить о проблеме
Автор
user-avatar trunkov
Дата
18.03.2026
Язык
Русский
Состав
чертежи, ПЗ
Софт
AutoCAD 2008 Как открыть?
Отзывов пока нет
Задать вопрос
Содержимое архива
  • icon-pdf Лист1-А1.pdf
  • icon-pdf Лист2-А1.pdf
  • icon-dwg Чертеж1.dwg
  • icon-doc район.doc
  • icon-pdf район.pdf
Чтобы скачать чертеж, 3D модель или проект, Вы должны зарегистрироваться и принять участие в жизни сайта. Посмотрите, как тут скачивать файлы
Отзывов пока нет
Чтобы оставить отзыв, необходимо войти
Войти с помощью:

Используя функцию входа через сторонние сервисы, Вы соглашаетесь на обработку персональных данных в соответствии с Политикой конфиденциальности