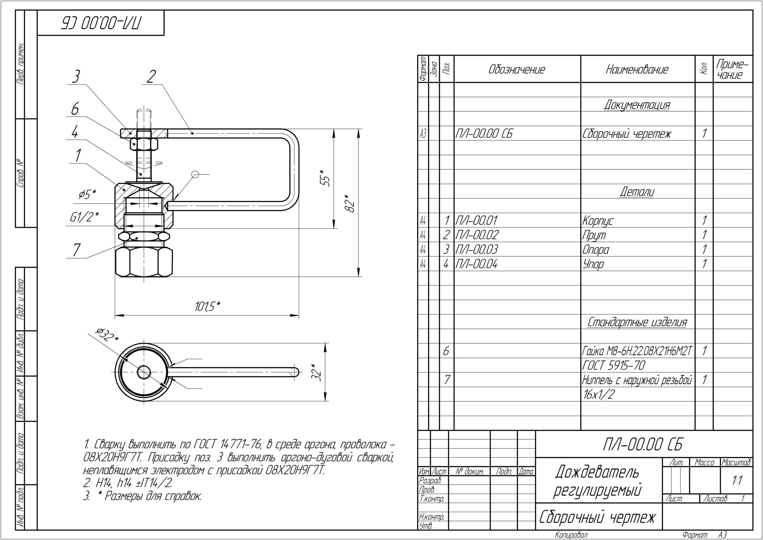
Дождеватель регулируемый. Изготавливается из нержавейки. Конструкция простая и надежная. Проверено в деле.
- Главная -
- Чертежи -
- Инженерные системы -
- Системы водоснабжения и канализации -
- Дождеватель регулируемый
Дождеватель регулируемый
0
221
1525
1
0
50

Сообщить о проблеме
Автор
Дата
11.08.2015
Язык
Украинский
Состав
СБ, Деталировка
Софт
КОМПАС-3D 15,2
Как открыть?
Отзывов пока нет
Содержимое архива
Чтобы скачать чертеж, 3D модель или проект, Вы должны зарегистрироваться
и принять участие в жизни сайта. Посмотрите, как тут скачивать
файлы
Отзывов пока нет
Чтобы задать вопрос, необходимо войти
Войти с помощью:
Ссылка на логин через google
Ссылка на логин через vk
Ссылка на логин через yandex