Перейти к содержимому
Войти

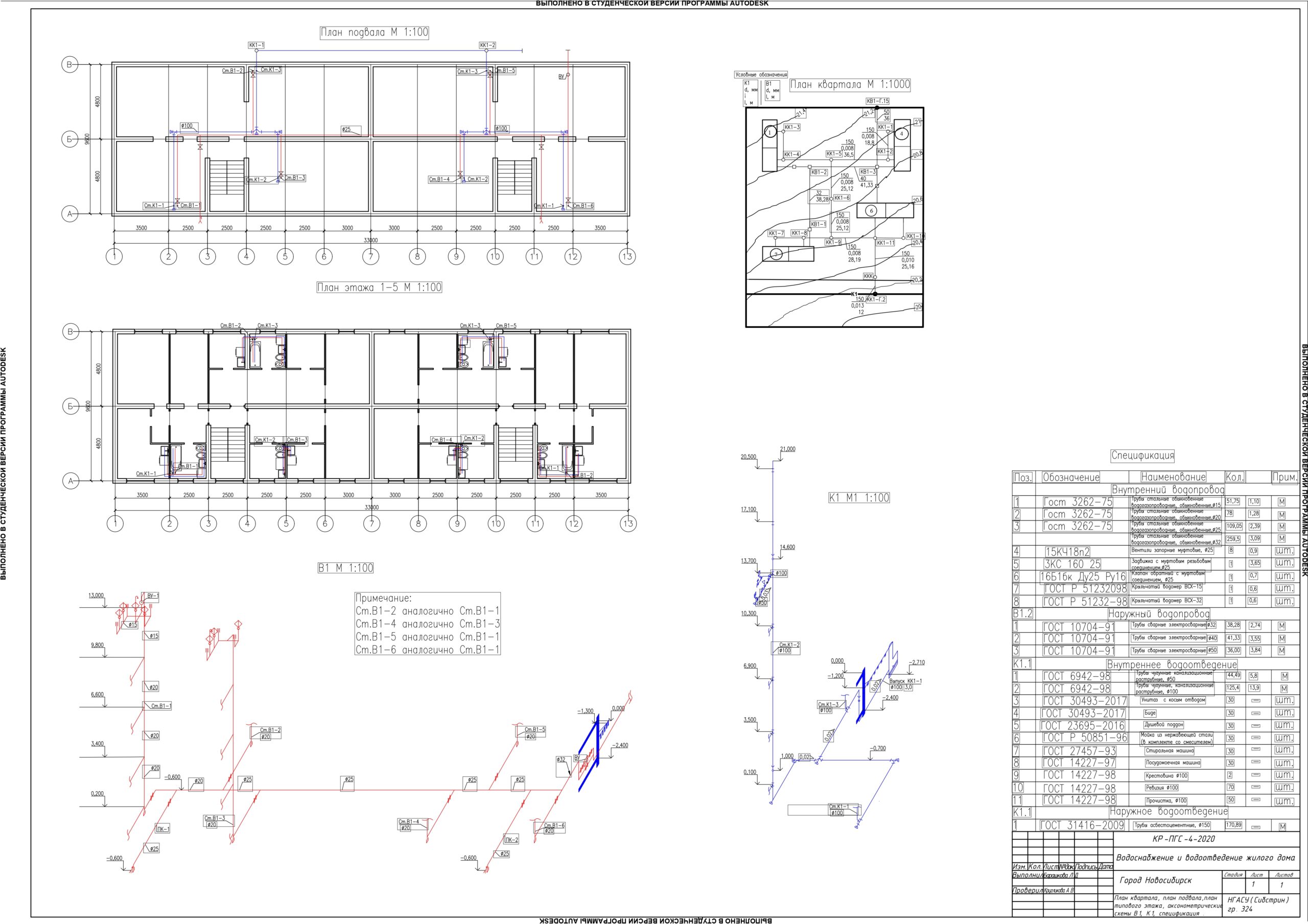
Водоснабжение и водоотведение жилых зданий - диаметр уличного коллектора – 200 мм;

0
1
163
1
0
50

Новосибирский государственный архитектурно строительный университет
Кафедра водоснабжения и водоотведения
Водоснабжение и водоотведение жилых зданий
Курсовая работа на тему "Водоснабжение и водоотведение жилых зданий"
Новосибирск 2020

запроектировать системы внутреннего холодного водоснабжения и водоотведения для обеспечения водой и отведения стоков жилого квартала, состоящего из четырех однотипных пятиэтажных двухсекционных жилых домов квартирного типа, оборудованных туалетами, умывальниками, мойками и ваннами с душами.
ИСХОДНЫЕ ДАННЫЕ ДЛЯ ПРОЕКТИРОВАНИЯ

Вариант № 4
1.1. Генеральный план жилого микрорайона с горизонталями;

1.2. Четыре здания на генплане – 1, 4, 6, 7
1.3. Номер варианта плана секции жилого дома – 7;
1.4. Норма жилой площади – 10 м2/чел;
1.5. Коэффициент перенаселенности квартир – 1,2;
1.6. Высота этажа– 3,2 м;
1.7. Высота пола 1-го этажа от земли – 1,3 м;
1.8. Свободный напор у колодца т. КВ1-Г - 38 м вод.ст.;
1.9. Высота подвала – 2,2 м;
1.10. Глубина уличного коллектора КВ1-Г – 3,5 м;
1.11. Диаметр уличного коллектора – 200 мм;
1.12. Глубина промерзания грунта, Нпр – 1,7 м;
1.13. Номер городского водопроводного колодца КВ1-Г-15;
1.14. Номер городского канализационного колодца КК1-Г-2;
1.15. Вариант горизонтали – 1;
1.16. Отметка горизонтали минимальная – 20;
1.17. Разница в отметках горизонталей, ∆ - 0,2 м.
Содержание

Введение 3
1.Исходные данные 4
2.Внутренний водопровод 5
2.1 Расчет водопроводной сети 5
2.2 Подбор водомера 6
2.3 Определение требуемого напора воды 6
3.Внутренняя система водоотведения 7
3.1 Расчет сети водоотведения 7
Литература 10
Приложения


Сообщить о проблеме
Дата
20.05.2020
Язык
Русский
Состав
План квартала, подвала , этажа, аксонометрические схемы В1, Г1 , Спецификация
Софт
AutoCAD 2019 Как открыть?
Отзывов пока нет
Задать вопрос
Содержимое архива
  • icon-doc ВИВ.docx
  • icon-dwg вив13.dwg
Чтобы скачать чертеж, 3D модель или проект, Вы должны зарегистрироваться и принять участие в жизни сайта. Посмотрите, как тут скачивать файлы
Отзывов пока нет
Чтобы оставить отзыв, необходимо войти
Войти с помощью:

Используя функцию входа через сторонние сервисы, Вы соглашаетесь на обработку персональных данных в соответствии с Политикой конфиденциальности