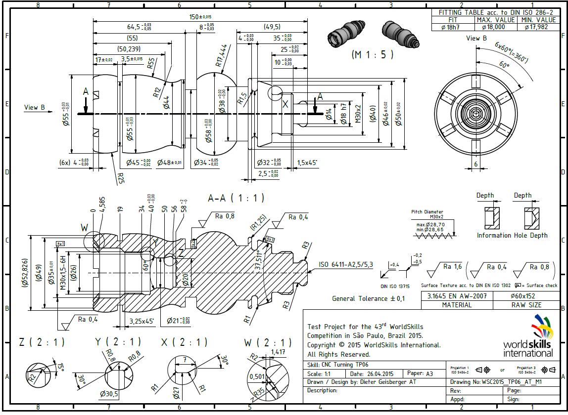
Конкурсная деталь, для выполнение на станке с чпу. Выполнить нужно за 4 часа
- Главная -
- Чертежи -
- Конкурсы -
- Конкурсная деталь WorldSkills
Конкурсная деталь WorldSkills
0
41
4927
125
1
Бесплатно
Сообщить о проблеме
Автор
Дата
24.10.2017
Язык
Русский
Состав
3D модель одной детали
Софт
КОМПАС-3D 15.1
Как открыть?
Отзывов пока нет
Содержимое архива
-
токарка1.m3d
Чтобы скачать чертеж, 3D модель или проект, Вы должны зарегистрироваться
и принять участие в жизни сайта. Посмотрите, как тут скачивать
файлы
Задания с фриланса
Документация. Разработка операционной карты 212.24.003 обдув для детали(смотри шаблон и файл)
договорная
4 недели назад
Отзывов пока нет
Чтобы оставить отзыв, необходимо войти
Войти с помощью:
Используя функцию входа через сторонние сервисы, Вы соглашаетесь на обработку персональных данных в соответствии с Политикой конфиденциальности
Здравствуйте! Подскажите, пожалуйста, на этом чертеже указаны настоящие имя и фамилия автора? - Design by: Dieter Geisberger AT. И пометка Copyright © 2015 WorldSkills действительно проставлена автором, то есть этот чертеж охраняется авторским правом? Или эти графы заполнены просто для примера ?
Здравствуйте! Для конкурсных заданий и методических материалов WorldSkills чаще всего используется открытая лицензия (Creative Commons Attribution ShareAlike (CC BY-SA)). Это позволяет странам-участницам адаптировать и использовать материалы для подготовки, при условии указания авторства и сохранения лицензии.
Спасибо! То есть автор настоящий, верно? А где представлены работы конкурсантов?
Не подскажу. Обычно такие работы попадают в открытый доступ через участников или организаторов.
Обратите внимание, на первой картинке представлено только задание, сама работа выполнена в КОМПАС-3D. Не знаю какие правила были в Бразилии в 2015 году.
Для сравнения посмотрите вот эту работу, задание на 3й картинке, другая дисциплина немного.
Перейти
Используя функцию входа через сторонние сервисы, Вы соглашаетесь на обработку персональных данных в соответствии с Политикой конфиденциальности