Перейти к содержимому
Войти

Курсовая работа на тему:"Определение кинематических характеристик Вал-шестерни рабочей машины" по Предмету: "Детали машин и основы конструирования"

0
0
58
0
0
30

Государственный университет морского и речного флота им. адм. С.О. Макарова
Кафедра "Основ инженерного проектирования"
Курсовой проект по дисциплине "Детали Машин и основы конструирования"
На тему: Поиск кинематических характеристик рабочей машины
Санкт-Петербург 2024

Вариант: 2.1
Мощность на приводном валу, Р3 = 2,5 кВт;
Угловая скорость на приводном валу, ωрм=2,4 π об/мин
Сила, действующая на валу рабочей машины, F3=1.0 кН

Содержание курсовой работы:
1.Задание к курсовой работе……………………………………………………………2
2.Определение общего КПД …………………………………………………………….4
3.Подбор стандартного электродвигателя…………………………………………5
4.Определение общего передаточного отношения привода и его ступней …..5
5.Определение силовых и кинематических параметров привода ………………5
6.Выбор материала для зубчатой передачи ………………………………………..6
7.Расчет цилиндрических зубчатых передач ………………………………………7
8.Расчет открытой плоскоременн. передачи…………………………………….12
9.Расчет сил зацепления закрытой передачи……………………………………...17
10.Определение размеров ступней валов для редуктора………………………..18
11.Проверочный расчет валов редуктор……………………………………………21
12.Список литературы…………………………………………………………………25
13.Приложения…………………………………………………………………………..20


Сообщить о проблеме
Автор
user-avatar user-8541296
Дата
11.06.2024
Язык
Русский
Состав
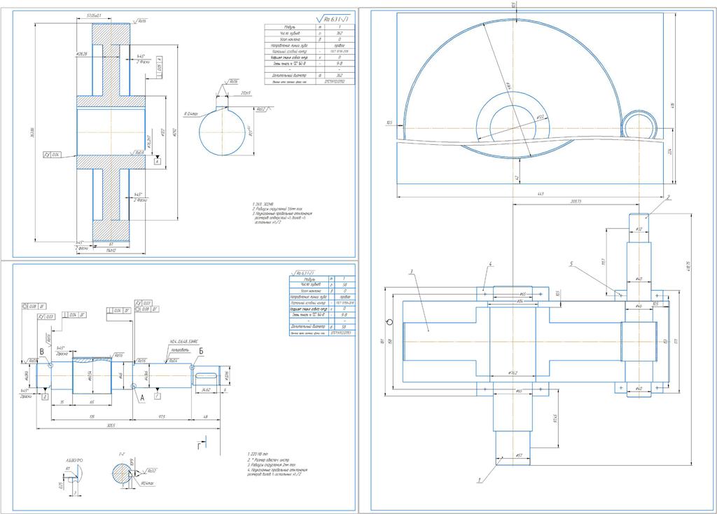
Компановочный чертёж, вал колеса, вал шестерни, пз
Софт
КОМПАС-3D 22.0.3.1397 Как открыть?
Отзывов пока нет
Задать вопрос
Содержимое архива
  • icon-cdw Вал шестерня.cdw
  • icon-cdw Колесо зубчатое _ ДМСМ.КР0201.103 (2).cdw
  • icon-doc Пояснительная записка.docx
  • icon-spw Спецификация.spw
  • icon-cdw ЧЕРТЁЖ Гипер ФИнал.cdw
  • icon-cdw Эпюра Медленно.cdw
  • icon-cdw эпюра Быстро.cdw
  • icon-jpg эскиз.jpg
Чтобы скачать чертеж, 3D модель или проект, Вы должны зарегистрироваться и принять участие в жизни сайта. Посмотрите, как тут скачивать файлы
Отзывов пока нет
Чтобы оставить отзыв, необходимо войти
Войти с помощью:

Используя функцию входа через сторонние сервисы, Вы соглашаетесь на обработку персональных данных в соответствии с Политикой конфиденциальности