Перейти к содержимому
Войти

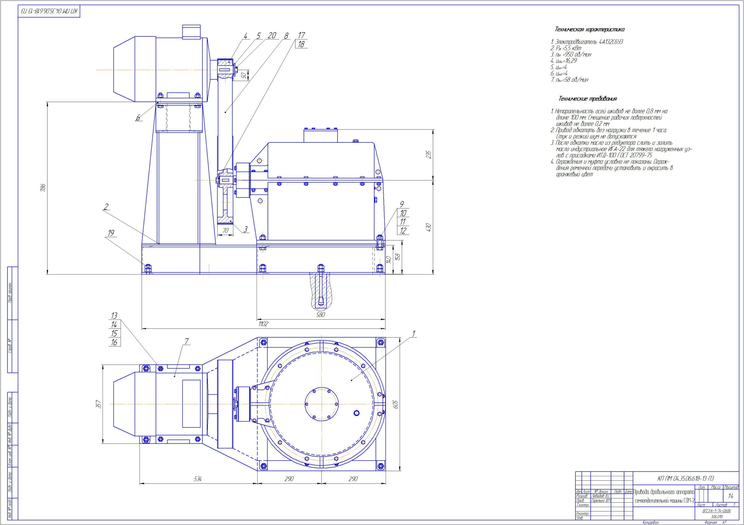
Привод дробильного аппарата семяотделительной машины СОМ-2

0
255
984
0
0
50

Кафедра мелиоративных и строительных машин

В данном курсовом проекте производится 1. КИНЕМАТИЧЕСКИЙ И СИЛОВОЙ РАСЧЕТ ПРИВОДА……………………………..4
2. РАСЧЕТ ПЕРЕДАЧ……………………………………………………………………..…..7
2.1.Расчет конической передачи…………………….…...…………………………….......7
2.2.Расчет зубчато-ременной передачи……………….…………………………….........11
3. РАСЧЕТ И КОНСТРУИРОВАНИЕ ВАЛОВ…………………………………………….13
3.1. Проектный расчет ведущего вала……………………….……………………………13
3.2. Проектный расчет ведомого вала……………………………………………………19
4. РАСЧЕТ И КОНСТРУИРОВАНИЕ ПОДШИПНИКОВЫХ УЗЛОВ…………………..25
4.1. Расчет подшипников ведущего вала…………………………………………………25
4.2. Расчет подшипников ведомого вала…………………………………………………28
5. РАСЧЕТ ШПОНОЧНЫХ СОЕДИНЕНИЙ……………………………………………....31
6. КОНСТРУИРОВАНИЕ ЗУБЧАТЫХ КОЛЕС И ШКИВОВ………….………………...34
7. ВЫБОР И ПРОВЕРОЧНЫЙ РАСЧЕТ МУФТ………………………..…………………39
8. КОНСТРУИРОВАНИЕ КОРПУСНЫХ ДЕТАЛЕЙ, СТАКАНОВ И КРЫШЕК...……40
9. СМАЗКА ПОДШИПНИКОВ, ЗАЦЕПЛЕНИЯ. ВЫБОР СОРТА МАСЛА……………43
10. КОНСТРУИРОВАНИЕ РАМЫ ПЛИТЫ………………………………………………...44
11. ВЫБОР ПОСАДОК………………………………………………………………………..46
12. СБОРКА И РЕГУЛИРОВКА РЕДУКТОРА


Сообщить о проблеме
Автор
user-avatar CoolWaldemar7
Дата
27.05.2015
Язык
Русский
Состав
Общий вид СОМ-2 (ВО), Редуктор (ВО), Деталировка (вал ведомый, вал ведущий,колесо коническое, рама, крышка), Спецификация, ПЗ
Софт
КОМПАС-3D 13 SP2 Как открыть?
Отзывов пока нет
Задать вопрос
Содержимое архива
      • icon-cdw Вал ведомый.cdw
      • icon-cdw Крышка.cdw
      • icon-cdw ОБЩИЙ ВИД СОМ-2.cdw
      • icon-cdw Рама.cdw
      • icon-spw Спецификация.spw
      • icon-spw Спецификация1.spw
      • icon-cdw вал ведущий.cdw
      • icon-cdw колесо коническое.cdw
      • icon-cdw редуктор2013.cdw
    • icon-doc KP_PM_Soderzhanie.doc
    • icon-doc Titulnik.docx
    • icon-doc Мой курсовой по ДМ2013.docx
Чтобы скачать чертеж, 3D модель или проект, Вы должны зарегистрироваться и принять участие в жизни сайта. Посмотрите, как тут скачивать файлы
Отзывов пока нет
Чтобы оставить отзыв, необходимо войти
Войти с помощью:

Используя функцию входа через сторонние сервисы, Вы соглашаетесь на обработку персональных данных в соответствии с Политикой конфиденциальности