Перейти к содержимому
Войти

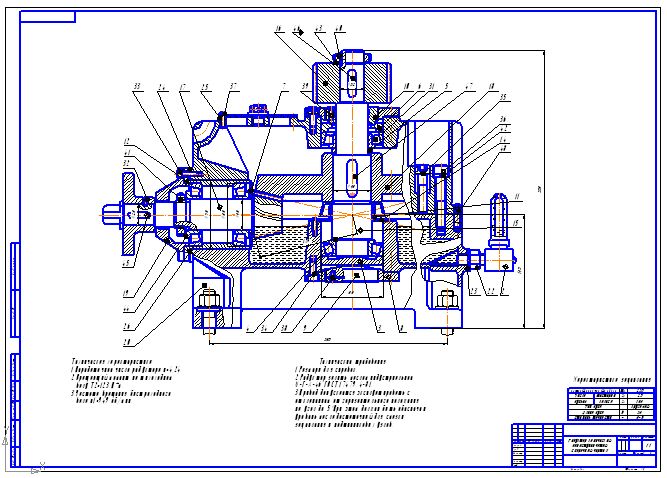
Приводная станция подвесного конвейера.Редуктор конический одноступенчатый Сборочный чертеж

0
590
11448
25
0
20

Редуктор состоит из корпуса (литого чугунного или сварного стального), в котором помещают элементы передачи - зубчатые колеса, валы, подшипники и т.д. В отдельных случаях в корпусе редуктора размещают также устройства для смазывания зацеплений и подшипников или устройства для охлаждения.

Наименование параметра Обозначение Величина
Тяговая сила цепи F 3,2 кН
Скорость грузовой цепи υ 0,60м/с
Шаг грузовой цепи p 100 мм
Число зубьев звездочки z 8
Допустимое отклонение скорости грузовой цепи δ 5%
Срок службы привода Lr 6 лет


Сообщить о проблеме
Автор
user-avatar student-burila
Дата
04.11.2012
Язык
Русский
Состав
Сборочный чертеж(СБ),Спецификация
Софт
КОМПАС-3D 12 Как открыть?
Отзывов пока нет
Задать вопрос
Содержимое архива
    • icon-txt Министерство образования и науки Республики Татарстан.rtf
  • icon-cdw Рамиль специф 1.cdw
  • icon-cdw Рамиль специф 2.cdw
  • icon-cdw Рамиль специф 3.cdw
  • icon-cdw Чертеж.cdw
  • icon-cdw Чертеж1 ВИД.cdw
  • icon-cdw Чертеж2 ВИД.cdw
  • icon-cdw Чертеж A3-1.cdw
  • icon-cdw Чертеж A3-1df.cdw
  • icon-cdw Чертеж А3-2ww.cdw
  • icon-cdw Чертеж А3-3cdw.cdw
  • icon-cdw ЧертежА3-4.cdw
Чтобы скачать чертеж, 3D модель или проект, Вы должны зарегистрироваться и принять участие в жизни сайта. Посмотрите, как тут скачивать файлы
Отзывов пока нет
Чтобы оставить отзыв, необходимо войти
Войти с помощью:

Используя функцию входа через сторонние сервисы, Вы соглашаетесь на обработку персональных данных в соответствии с Политикой конфиденциальности