Перейти к содержимому
Войти

Привод сборочного конвейера u=9

0
277
1508
1
0
20

Мощность потребителя 3,6 кВт;
выходная скорость 6 рад/c
требуемый ресурс 22000 ч
УГНТУ, 53 вариант

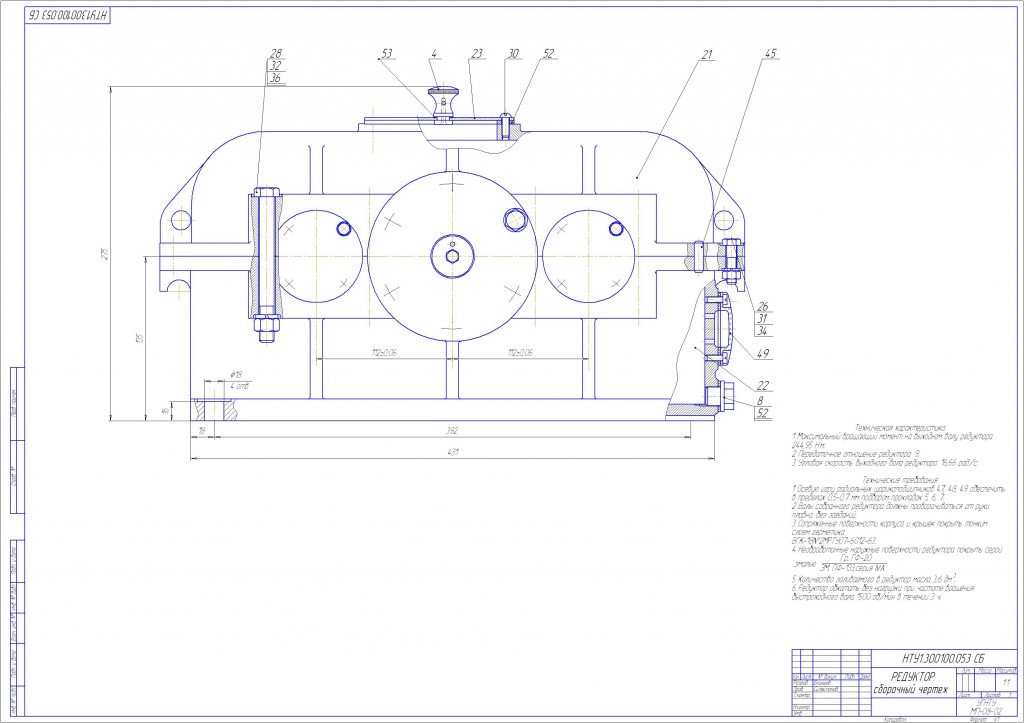
Техническая характеристика редуктора
1 Максимальный вращающий момент на выходном валу редуктора 244,95 НДм.
2 Передаточное отношение редуктора: 9.
3 Угловая скорость выходного вала редуктора: 16,66 рад/с.

СОДЕРЖАНИЕ
1 Техническое задание 3
2 Кинематический и силовой расчеты привода 4
2.1 Определение КПД кинематической цепи привода и выбор электродвигателя 4
2.2 Разбивка общего передаточного отношения привода между передачами 4
2.3 Определение мощностей, угловых скоростей и вращающих моментов на валах 5
3 Проектировочные расчеты передач 6
3.1 Расчет цепной передачи 6
3.2 Расчет зубчатой цилиндрической передачи 8
4 Проектировочные (ориентировочные) расчеты валов 13
5 Выбор способа и типа смазки подшипников и передач 13
6 Первая эскизная компоновка редуктора 14
6.1 Определение толщины стенки корпуса редуктора 14
6.2 Определение диаметров болтов: фундаментных, в бобышках у подшипников, на тонких фланцах в разъеме корпуса 14
6.3 Определение размеров крышек подшипников 14
7 Проектировочные (приближенные) расчеты валов 15
8 Подбор подшипников 20
9 Расчеты шпоночных соединений 23
10 Проверочные (уточненные) расчеты валов на сопротивление усталости 24
11 Расчет муфты на смятие и изгиб 28
12 Задание характера сопряжений деталей в редукторе 29
Список использованной литературы 30


Сообщить о проблеме
Автор
user-avatar Certion
Дата
30.05.2012
Язык
Русский
Состав
СБ, Спецификация, Деталировка, ПЗ
Софт
Комас v13
Отзывов пока нет
Задать вопрос
Содержимое архива
  • icon-cdw
    Вал.cdw
  • icon-cdw
    КРЫШКА ПОДШИПНИКА ГЛУХАЯ.cdw
  • icon-cdw
    Курсач с колесами.cdw
  • icon-doc
    Курсовая.doc
  • icon-spw
    Спецификация.spw
  • icon-cdw
    колесо.cdw
  • icon-cdw
    кольцо.cdw
  • icon-cdw
    крышка.cdw
  • icon-cdw
    редуктор вид.cdw
Чтобы скачать чертеж, 3D модель или проект, Вы должны зарегистрироваться и принять участие в жизни сайта. Посмотрите, как тут скачивать файлы
Отзывов пока нет
Чтобы оставить отзыв, необходимо войти
Войти с помощью:

Используя функцию входа через сторонние сервисы, Вы соглашаетесь на обработку персональных данных в соответствии с Политикой конфиденциальности