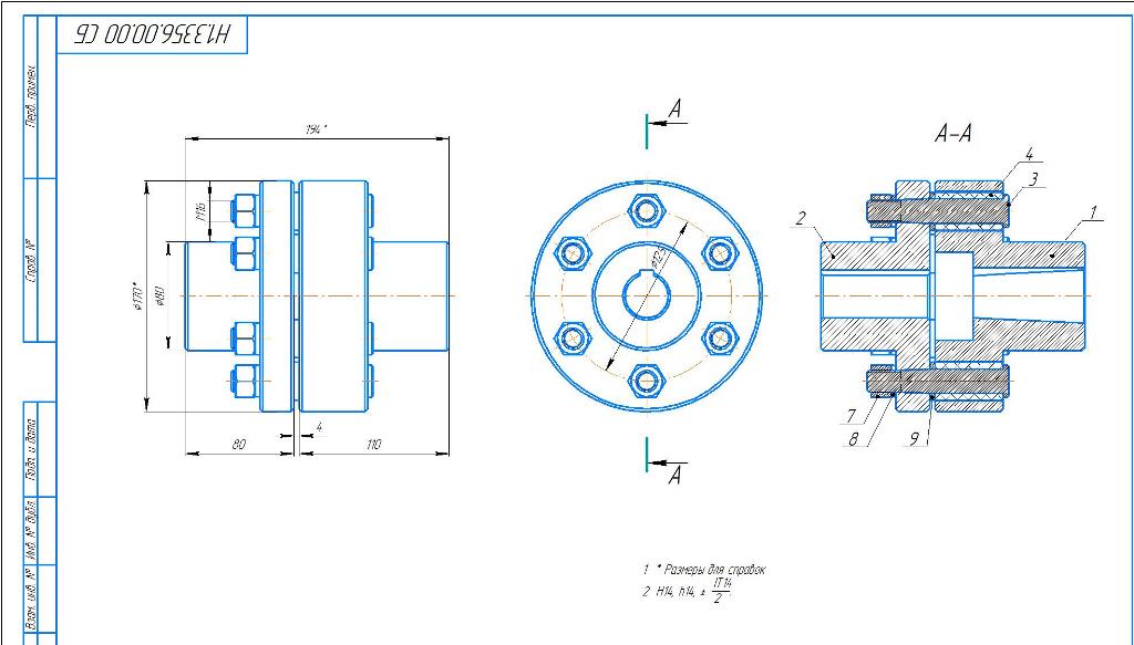
Полумуфта редуктора РМ-350 и полумуфта двигателя АИР112М4У1. 3Д модели, чертежи, сборка.
- Главная -
- Чертежи -
- Машиностроение и механика -
- Детали машин -
- Муфты -
- Муфта привода редуктора РМ-350
Муфта привода редуктора РМ-350
0
0
15
0
0
20
Сообщить о проблеме
Автор
Дата
09.12.2025
Язык
Русский
Состав
Полумуфта редуктора РМ-350 и полумуфта двигателя АИР112М4У1. 3Д модели, чертежи, сборка.
Софт
КОМПАС-3D 20
Как открыть?
Отзывов пока нет
Содержимое архива
-
Н1.3356.00.00 СБ - Муфта привода.stp
-
Н1.3356.00.00 СБ - Муфта привода Сборочный чертеж.cdw
-
Н1.3356.00.03 - Палец.cdw
-
Н1.3356.00.00 СБ - Муфта привода.a3d
-
Н1.3356.00.03 - Палец.m3d
-
Н1.3356.00.01 - Полумуфта рудуктора РМ-350.cdw
-
Н1.3356.00.02 - Полумуфта двигателя АИР112М4У1.cdw
-
Н1.3356.00.02 - Полумуфта двигателя АИР112М4У1.m3d
-
Н1.3356.00.04 - Втулка упругая.cdw
-
Н1.3356.00.01 - Полумуфта рудуктора РМ-350.m3d
-
Вал редуктора РМ-350.docx
-
Н1.3356.00.00 - Муфта привода.spw
-
Н1.3356.00.04 - Втулка упругая.m3d
Чтобы скачать чертеж, 3D модель или проект, Вы должны зарегистрироваться
и принять участие в жизни сайта. Посмотрите, как тут скачивать
файлы
Задания с фриланса
Нужны чертежи этапов техпроцесса изготовления детали. От заготовки да конечного результата поэтапно.
договорная
3 недели назад
Отзывов пока нет
Чтобы оставить отзыв, необходимо войти
Войти с помощью:
Используя функцию входа через сторонние сервисы, Вы соглашаетесь на обработку персональных данных в соответствии с Политикой конфиденциальности
Используя функцию входа через сторонние сервисы, Вы соглашаетесь на обработку персональных данных в соответствии с Политикой конфиденциальности