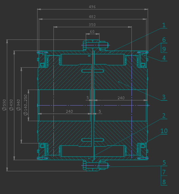
Муфта зубчатая МЗ-12 ГОСТ 5006, 3D модель и чертежи для изготовления.
- Главная -
- Чертежи -
- Машиностроение и механика -
- Детали машин -
- Муфты -
- Муфта зубчатая МЗ-12
Муфта зубчатая МЗ-12
      
      0
    
  
      
      0
    
  
    
    32
  
  
    
    1
  
  
    
    0
  
                30
              
                                   
           
              
    Сообщить о проблеме
    
              
              
          
  
        Автор
      
      
                  
      Дата
    
    08.10.2025
  
      Язык
    
    
              Русский
          
  
      Состав
    
    
      Муфта зубчатая (СБ), Деталировка (Обойма, Втулка зубчатая, Крышка, Болт призонный), Спецификация, 3D сборка
    
  
      Софт
    
    
      SolidWorks 2017
              Как открыть?
          
  
              Отзывов пока нет
          
  
    Содержимое архива
  
      - 
    МЗ-12 Муфта зубчатая СБ.STEP
- 
    Шайба 65Г ГОСТ6402-70.SLDPRT
- 
    МЗ-12 Втулка зубчатая.sldprt
- 
    МЗ-12 Обойма зубчатая с расточкой.SLDDRW
- 
    МЗ-12 Муфта зубчатая СБ.SLDDRW
- 
    МЗ-12 Муфта зубчатая.SLDPRT
- 
    МЗ-12 Обойма зубчатая.SLDDRW
- 
    МЗ-12 Втулка зубчатая.SLDDRW
- 
    МЗ-12 Обойма зубчатая.sldprt
- 
    МЗ-12 Крышка.SLDPRT
- 
    Гайка ГОСТ 5915-70.SLDPRT
- 
    МЗ-12 Крышка.SLDDRW
- 
    МЗ-12 Болт призонный.SLDDRW
- 
    Манжета 1.1-340х380-1 ГОСТ 8752-79.SLDPRT
- 
    Болт М8 ГОСТ 7796-70.SLDPRT
- 
    МЗ-12 Муфта зубчатая СБ.SLDASM
- 
    МЗ-12 Болт призонный.SLDPRT
  Чтобы скачать чертеж, 3D модель или проект, Вы должны зарегистрироваться
  и принять участие в жизни сайта. Посмотрите, как тут скачивать
  файлы
      
      
      
    
            Отзывов пока нет
          
                
  Чтобы задать вопрос, необходимо войти
  
    
  
      Войти с помощью:
    
    
                      
                    Ссылка на логин через google
        
                      
                    Ссылка на логин через vk
        
                      
                    Ссылка на логин через yandex
        
          
   
                 
                 
                 
                 
                 
                 Нурхаёт Эшонкулов
    Нурхаёт Эшонкулов
   
           
          