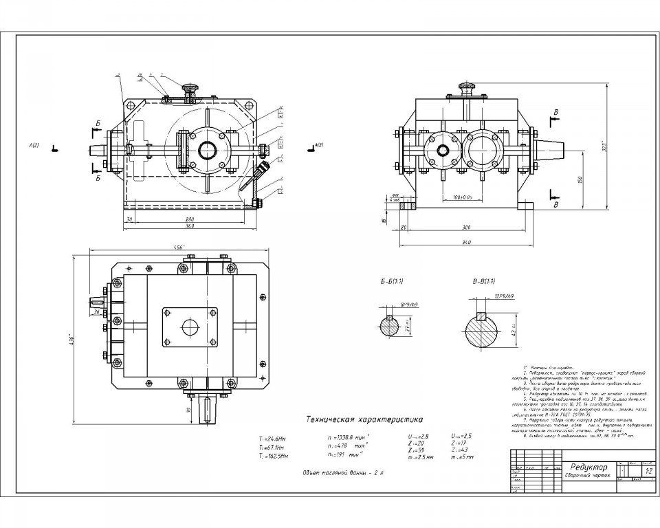
Двухступенчатый цилиндрический-конический редуктор, 3 кВт, 190 об/мин На входе ременная передача. Расчеты и чертежи. БГАТУ, "Детали машин"
- Главная -
- Чертежи -
- Машиностроение и механика -
- Детали машин -
- Цилиндрическо-конический редуктор
Цилиндрическо-конический редуктор
0
245
2371
5
0
40

Сообщить о проблеме
Автор
Дата
14.12.2012
Язык
Русский
Состав
СБ, СП, ПЗ, деталировка, монтажная схема
Софт
AutoCAD
Как открыть?
Отзывов пока нет
Содержимое архива
Чтобы скачать чертеж, 3D модель или проект, Вы должны зарегистрироваться
и принять участие в жизни сайта. Посмотрите, как тут скачивать
файлы
Задания с фриланса
Отзывов пока нет
Чтобы задать вопрос, необходимо войти
Войти с помощью:
Ссылка на логин через google
Ссылка на логин через vk
Ссылка на логин через yandex