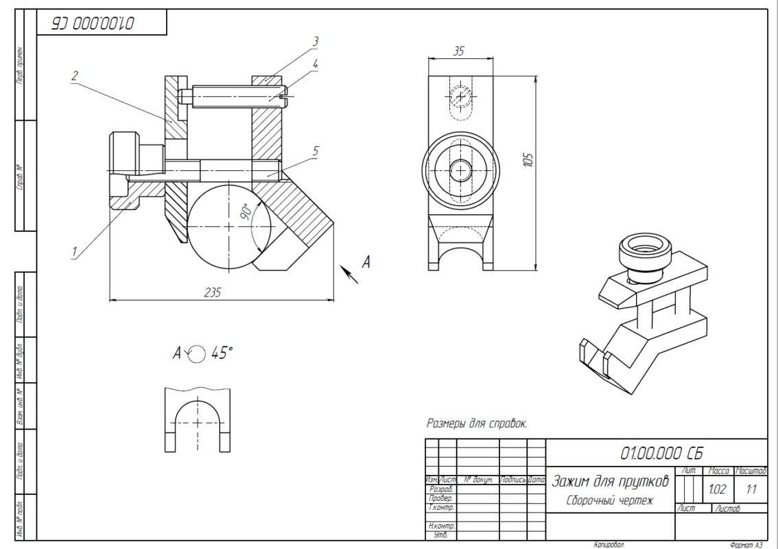
Зажим — приспособление, служащее для закрепления прутков при изготовлении деталей.
Основные детали зажима: державка, прихват и упорный винт. Прихват и державка соединены с помощью шпильки и гайки.
В процессе работы пруток укладывают в углубление державки и закрепляют прижимом, завинчивая гайку. Расстояние между державкой и прижимом регулируется в зависимости от диаметра прутка. Зажим может быть закреплен в тисках.
- Главная -
- Чертежи -
- Машиностроение и механика -
- Детали машин -
- Зажим для прутков ф44-46 мм.
Зажим для прутков ф44-46 мм.
0
0
14
0
0
50
Сообщить о проблеме
Автор
Дата
06.11.2025
Язык
Русский
Состав
3D Сборка, Сборочный чертеж (СБ), Спецификация
Софт
SolidWorks 22
Как открыть?
Отзывов пока нет
Содержимое архива
-
-
01.00.000 СБ Зажим для прутков.pdf
-
01.00.000 СБ Зажим для прутков.SLDASM
-
01.00.000 СБ Зажим для прутков.SLDDRW
-
01.00.000 СБ Зажим для прутков.STEP
-
01.00.001 Гайка.SLDPRT
-
01.00.002 Прихват.SLDPRT
-
01.00.003 Державка.SLDPRT
-
01.00.004 Винт упорный.SLDPRT
-
01.00.005 Шпилька.SLDPRT
-
Чтобы скачать чертеж, 3D модель или проект, Вы должны зарегистрироваться
и принять участие в жизни сайта. Посмотрите, как тут скачивать
файлы
Задания с фриланса
Сделать сборку в компасе гидравлический пресс на 10 тонн с шириной проёма 600 мм. и высотой 1600 мм.
1 000 ₽
18.12.2025
2 дня назад
22.12.2025
Отзывов пока нет
Чтобы оставить отзыв, необходимо войти
Войти с помощью:
Используя функцию входа через сторонние сервисы, Вы соглашаетесь на обработку персональных данных в соответствии с Политикой конфиденциальности
Используя функцию входа через сторонние сервисы, Вы соглашаетесь на обработку персональных данных в соответствии с Политикой конфиденциальности