Перейти к содержимому
Войти

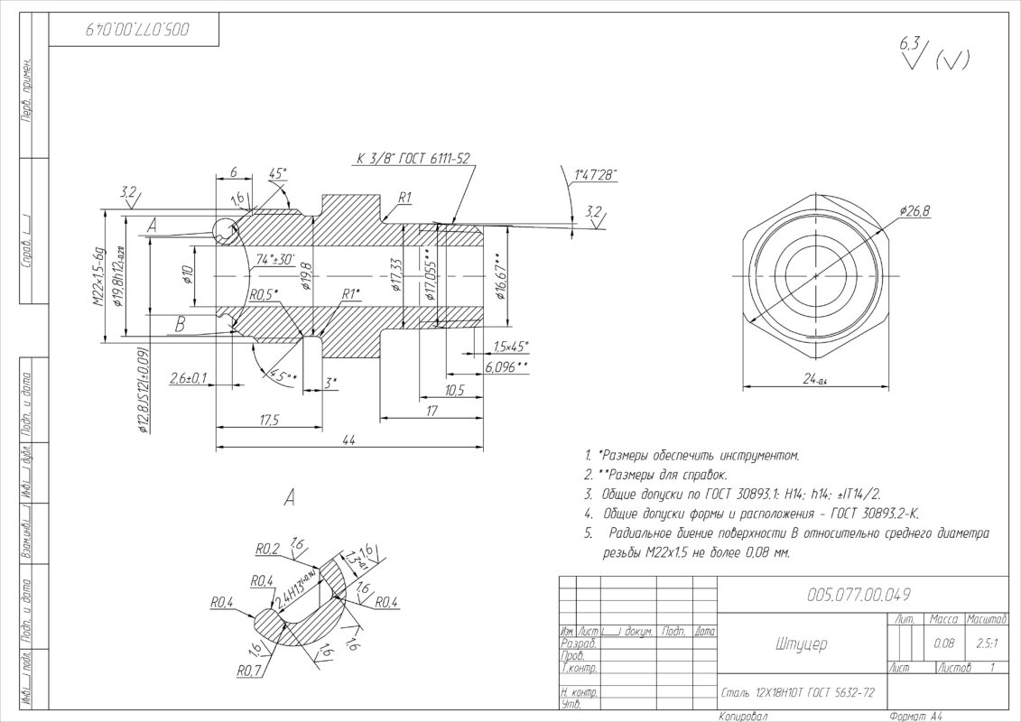
Комплект переходников для трубопроводов, рукавов, прочего оборудования в T-FLEX

0
1
52
0
0
60

Комплект различных переходников для трубопроводов, рукавов, прочего оборудования - 29 шт
1) Наружная М20х1,5 / Наружная М18х1,5 с внутренним конусом под РВД
2) Наружная М20х1,5 / рукав диаметром 25
3) Наружная М20х1,5 / Наружная G1/2
4) Наружная М20х1,5 / Наружная М24х1,5 с внутренним конусом под РВД
5) Внутренняя М20х1,5 с канавкой под уплотнительное кольцо / Наружная М24х1,5 с внутренним конусом под РВД
6) Внутренняя М20х1,5 с канавкой под уплотнительное кольцо / Наружная М22х1,5. Удлинённый
7) Внутренняя G1/8 / Наружная G3/8
8) Наружная М20х1,5 с внутренним конусом под РВД / Внутренняя К3/8
9) Наружная М16х1,5 / Наружная М22х1,5 с внутренним конусом под РВД
10) Наружная G1/2 / рукав диаметром 25
11) Внутренняя G1/2 с канавкой под уплотнительное кольцо / Наружная М22х1,5
12) Внутренняя G1/2 с канавкой под уплотнительное кольцо / Наружная М22х1,5. Удлинённый
13) Наружная G1/4 / рукав диаметром 16
14) Внутренняя G1/4 / Наружная М20х1,5
15) Наружная М20х1,5 / Наружная М22х1,5 с наружным конусом под РВД
16) Наружная G1/4 / Ниппель БРС
17) Наружная G1/2 / Наружная М20х1,5. Удлинённый
18) Ниппель БРС / рукав диаметром 16
19) Внутренняя М24х1,5 с канавкой под уплотнительное кольцо / рукав диаметром 25
20) Внутренняя G1/4 / рукав диаметром 12
21) Пробка G1/8
22) Наружная G1/2 / Ниппель БРС
23) Наружная G1/2 / Ниппель БРС 50 МПа
24) Наружная G1/2 / Ниппель БРС 105 МПа
25) Наружная М18х1,5 с внутренним конусом под РВД / Наружная G1/4
26) Наружная G1 1/4 / внутренняя G3/4
27) Наружная М16х1,5 с внутренним конусом под РВД / Наружная К3/8
28) Наружная М22х1,5 с наружным конусом под РВД / Наружная К3/8
29) Наружная М24х1,5 с внутренним конусом под РВД / Наружная К3/8


Сообщить о проблеме
Дата
02.12.2025
Язык
Русский
Состав
3Д-модели и чертежи
Софт
T-FLEX CAD 17
Отзывов пока нет
Задать вопрос
Содержимое архива
  • icon-grb 005.077.00.001_Штуцер М20х1,5__М18х1,5_24.grb
  • icon-step 005.077.00.001_Штуцер М20х1,5__М18х1,5_24.stp
  • icon-grb 005.077.00.002_Ниппель М20х1,5__рукавD25.grb
  • icon-grb 005.077.00.003_Переходник G1_2__М20х1,5.grb
  • icon-grb 005.077.00.004_Штуцер М20х1,5__М24х1,5_24.grb
  • icon-grb 005.077.00.005_Переходник М20х1,5__М24х1,5_24.grb
  • icon-grb 005.077.00.006_Переходник М20х1,5__М22х1,5.grb
  • icon-grb 005.077.00.008_Футорка G3_8__G1_8_.grb
  • icon-grb 005.077.00.009_Переходник К3_8__М20х1,5_24.grb
  • icon-grb 005.077.00.010_Штуцер М16х1,5__М22х1,5_24.grb
  • icon-grb 005.077.00.017_Ниппель G1_2__рукавD25.grb
  • icon-grb 005.077.00.018_Переходник G1_2__М22х1,5.grb
  • icon-grb 005.077.00.019_Удлинитель G1_2__М22х1,5.grb
  • icon-grb 005.077.00.020 Штуцер G1_4__рукавD16.grb
  • icon-grb 005.077.00.021_Переходник G1_4__М20х1,5.grb
  • icon-grb 005.077.00.023_Переходник М20х1,5__М22х1,5_74.grb
  • icon-grb 005.077.00.024_Ниппель БРС__G1_4.grb
  • icon-grb 005.077.00.025_Переходник М20х1,5__G1_2.grb
  • icon-grb 005.077.00.026_Ниппель БРС__рукавD16.grb
  • icon-grb 005.077.00.028нипМ24х1,5вн_рук25.grb
  • icon-grb 005.077.00.029пер_14внутр_рук12.grb
  • icon-grb 005.077.00.030_Пробка G1_8.grb
  • icon-grb 005.077.00.031_Полуразъем II БРС__G1_2.grb
  • icon-grb 005.077.00.032_Ниппель БРС50__G1_2.grb
  • icon-grb 005.077.00.033_Ниппель БРС105__G1_2.grb
  • icon-grb 005.077.00.041_Переходник М18х1,5__G1_4.grb
  • icon-grb 005.077.00.042_Футорка G1 1_4__G3_4_.grb
  • icon-grb 005_077_00_047_Штуцер.grb
  • icon-grb 005_077_00_049_Штуцер.grb
  • icon-grb 005_077_00_050_Штуцер_К3_8_М24х1,5.grb
Чтобы скачать чертеж, 3D модель или проект, Вы должны зарегистрироваться и принять участие в жизни сайта. Посмотрите, как тут скачивать файлы
Отзывов пока нет
Чтобы оставить отзыв, необходимо войти
Войти с помощью:

Используя функцию входа через сторонние сервисы, Вы соглашаетесь на обработку персональных данных в соответствии с Политикой конфиденциальности