Перейти к содержимому
Войти

Курсовая работа по дисциплине «Гидравлика и гидропневмопривод» на тему «Подбор и расчет основных элементов гидроприводов металлорежущих станков»

0
0
26
0
0
60

Ужгородський національний університитет, кафедра: Технологія машинобудування, курсова робота з дисципліни: Гідравліка та гідропневмопривід, на тему: Підбір та розрахунок основних елементів гідроприводів металорізальних верстатів, 2024 рік.

ВИХІДНІ ДАНІ:
dn=185 мм - діаметр поршня силового гідроциліндра;
F=143 кH - навантаження на шток силового гідроциліндра;
Un1=49,6 мм/с - швидкість поршня на першому етапі;
v=6·10-6 м2 /с - кінематична в'язкість рідини;
р=860 кг/м3 - густина робочої рідини;
lab=32 м - довжина трубопроводу АВ.

ВСТУП 3
1 СХЕМА І ВИХІДНІ ДАНІ 4
2 ОПИС РОБОТИ 5
3 ПОСЛІДОВНІСТЬ ВИКОНАННЯ РОБОТИ 6
4 ТЕОРЕТИЧНЕ ОБҐРУНТУВАННЯ 7
4.1 Вибір насосу 7
4.2 Вибір дроселю 11
4.3 Вибір запобіжного клапана 11
4.4 Вибір фільтру 14
4.5 Вибір розподільника 14
5 РОЗРАХУНКОВА ЧАСТИНА 18
ЗАГАЛЬНІ ВИСНОВКИ 26
СПИСОК ЛІТЕРАТУРИ 27
ДОДАТКИ 28


Сообщить о проблеме
Автор
user-avatar Денис
Дата
21.03.2026
Язык
Украинский
Состав
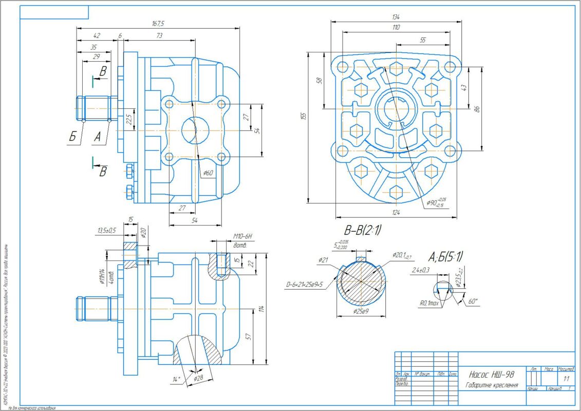
ПЗ, Чертежи насоса и дросселя
Софт
КОМПАС-3D 22 Как открыть?
Отзывов пока нет
Задать вопрос
Содержимое архива
    • icon-frw Додаток А.frw
    • icon-frw Додаток Б.frw
    • icon-frw Додаток В.frw
    • icon-frw Додаток Г.frw
    • icon-cdw Креслення дроселя.cdw
    • icon-cdw Креслення насоса.cdw
    • icon-png Опис роботи.png
    • icon-doc ПЗ.docx
    • icon-png ТЗ.png
Чтобы скачать чертеж, 3D модель или проект, Вы должны зарегистрироваться и принять участие в жизни сайта. Посмотрите, как тут скачивать файлы
Отзывов пока нет
Чтобы оставить отзыв, необходимо войти
Войти с помощью:

Используя функцию входа через сторонние сервисы, Вы соглашаетесь на обработку персональных данных в соответствии с Политикой конфиденциальности