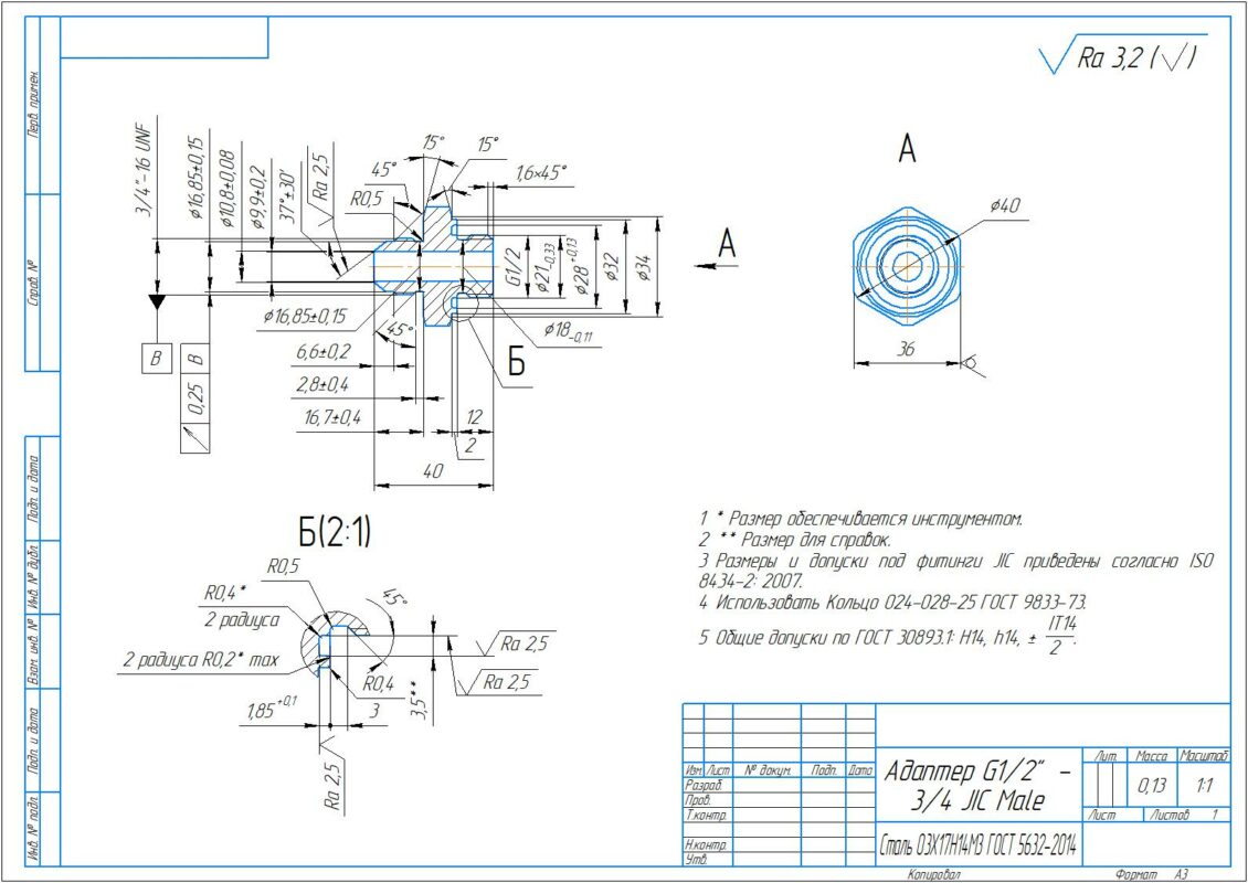
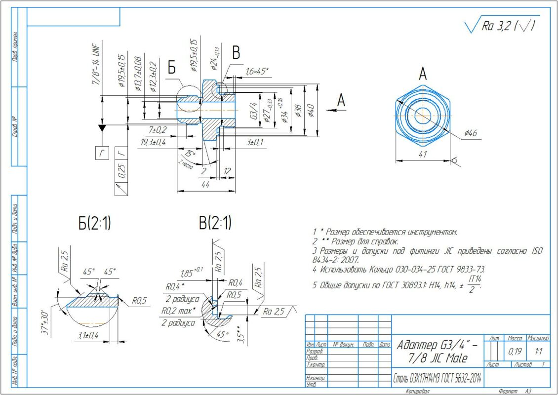
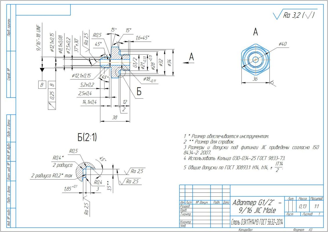
Представленная подборка адаптеров - SAE-ORB G1/2 - 9/16 JIC Male, SAE-ORB G1/2 - 3/4 JIC Male, SAE-ORB G3/4 - 7/8 JIC Male - предназначена для соединения гидравлических компонентов с разными типами присоединительных резьб: c резьбой G1/2 (G3/2), кольцевым уплотнением (с одной стороны) и с резьбой 9/16 (3/4, 7/8) JIC (с другой стороны).
Такие адаптеры широко используются в гидравлических системах различной техники: экскаваторах, тракторах, промышленном оборудовании, нефтегазовой сфере . Они рассчитаны на высокое рабочее давление.
Присоединительные размеры взяты из соответствующих стандартов.
Твердотельные модели - с историей построения.
Чертежи со всеми размерами, допусками размеров и формы, необходимых для изготовления, с оформлением в соответствии с ЕСКД.
Детали выполнены из Сталь 03Х17Н14М3 ГОСТ 5632-2014.
- Главная -
- Чертежи -
- Машиностроение и механика -
- Гидравлика и пневматика -
- Подборка моделей адаптеров (переходников) гидравлических систем и чертежи для их изготовления: SAE-ORB G1/2 - 9/16 JIC Male, SAE-ORB G1/2 - 3/4 JIC Male, SAE-ORB G3/4 - 7/8 JIC Male.
Подборка моделей адаптеров (переходников) гидравлических систем и чертежи для их изготовления: SAE-ORB G1/2 - 9/16 JIC Male, SAE-ORB G1/2 - 3/4 JIC Male, SAE-ORB G3/4 - 7/8 JIC Male.
0
1
45
0
0
20
3/4 JIC Male
3D Модели
7/8 JIC Male
9/16 JIC Male
G3/4
SAE-ORB G1/2
адаптер
гидравлические компоненты
Переходник
чертеж адаптера
чертеж гидравлического переходника
Сообщить о проблеме
Автор
Дата
02.03.2026
Язык
Русский
Состав
Представлена подборка распространенных переходников для гидравлических систем разного назначения. Модели деталей в формате *.m3d, *.stp и чертежи - *.cdw. Твердотельная модель с историей построения. Чертеж со всеми размерами, допусками размеров и формы, необходимых для изготовления, с оформлением в соответствии с ЕСКД. Подборка содержит 3 комплекта переходников по 3 файла - всего 9 файлов (6 моделей в разных форматах и чертежи на 3 листах).
Софт
КОМПАС-3D 24
Как открыть?
Отзывов пока нет
Содержимое архива
-
Адаптер SAE-ORB G1_2 - 3_4 JIC Male.cdw
-
Адаптер SAE-ORB G1_2 - 3_4 JIC Male.m3d
-
Адаптер SAE-ORB G1_2 - 3_4 JIC Male.stp
-
Адаптер SAE-ORB G1_2 - 9_16 JIC Male.cdw
-
Адаптер SAE-ORB G1_2 - 9_16 JIC Male.m3d
-
Адаптер SAE-ORB G1_2 - 9_16 JIC Male.stp
-
Адаптер SAE-ORB G3_4 - 7_8 JIC Male.cdw
-
Адаптер SAE-ORB G3_4 - 7_8 JIC Male.m3d
-
Адаптер SAE-ORB G3_4 - 7_8 JIC Male.stp
Чтобы скачать чертеж, 3D модель или проект, Вы должны зарегистрироваться
и принять участие в жизни сайта. Посмотрите, как тут скачивать
файлы
Отзывов пока нет
Чтобы оставить отзыв, необходимо войти
Войти с помощью:
Используя функцию входа через сторонние сервисы, Вы соглашаетесь на обработку персональных данных в соответствии с Политикой конфиденциальности
Используя функцию входа через сторонние сервисы, Вы соглашаетесь на обработку персональных данных в соответствии с Политикой конфиденциальности