Перейти к содержимому
Войти

«Проектирование рабочего колеса центробежного насоса»

0
2
135
0
0
50

ГГТУ им П.О.Сухого
Кафедра: «Нефтегазоразработка и гидропневмоавтоматика»

РАСЧЁТНО-ГРАФИЧЕСКАЯ РАБОТА
По курсу: «Лопастные машины и передачи»
на тему: «Проектирование рабочего колеса центробежного насоса»

2024 год

Насос перекачивает бензин-автомобильный с температурой из приемного резервуара в напорный на высоту h = 35 м, в количестве = 25 л/с. Избыточное давление в приемном резервуаре равно = 0,7 атм, а в напорном резервуаре равно = 3,5 атм. Длина всасывающей линии = 20 м; длина нагнетательной линии = 880 м. Степень открытия задвижки m=a/d=0,7. Степень сужения трубы при установке дроссельной шайбы (диафрагмы) k=s_0/s=0,4
Параметры жидкости:
плотность = 737 кг/м3 ;
кинематический коэффициент вязкости = 0,006510-4 м2/с
Для заданных условий необходимо:
1) Подобрать насос в соответствии с ГОСТ, т.е. произвести следующие расчеты:
определить диаметры и подобрать трубопроводы в соответствии с видом перекачиваемой жидкости;
определить потребный напор, который должен развивать насос;
построить характеристику установки (график потребного напора );
подобрать центробежный насос по каталогу;
построить совместную характеристику насоса и установки;
определить рабочую точку насоса и проверить правильность выбора насоса на данную сеть по коэффициенту полезного действия насоса;
определить диаметр обточки рабочего колеса и построить характеристику насоса при обточке рабочего колеса;
построить характеристики насосов выбранного типа установленных последовательно или параллельно, если количество выбранных насосов больше одного, и определить рабочую точку.
2) Произвести гидравлический расчет рабочего колеса и профилирование лопастей, т.е. произвести следующие расчеты:
описать устройство и принцип действия насоса;
определить дополнительные исходные данные для расчета рабочего колеса;
определить основные геометрические и кинематические параметры на входе в рабочее колесо;
определить основные геометрические и кинематические параметры на выходе из рабочего колеса;
выполнить необходимые расчеты для проектирования меридионального сечения рабочего колеса;
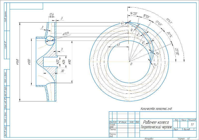
выполнить чертеж рабочего колеса центробежного насоса.

СОДЕРЖАНИЕ
Стр.
Введение…………………………………………………………….
Задание 2
1 Гидравлический расчет трубопровода 4
1.1 Определение диаметров труб всасывающей и нагнетательной линии 4
1.2 Построение графика потребного напора 4
2 Расчет рабочего колеса центробежного насоса 9
2.1 Исходные данные для расчета 9
2.2 Описание модельного насоса 9
2.3 Дополнительные исходные данные для расчета рабочего колеса 10
2.4 Определение основных геометрических и кинематических параметров на входе в рабочее колесо 12
2.5 Определение основных геометрических и кинематических параметров на выходе из рабочего колеса 16
2.6 Проектирование меридионального сечения рабочего ко-леса
2.7. Выполнение 3D модели рабочего колеса.
3 Индивидуальное задание 19

Заключение 27
Список литературы………………………………………………... 28


Сообщить о проблеме
Дата
29.12.2025
Язык
Русский
Состав
Пояснительная записка, чертеж рабочего колеса, 3d модель рабочего колеса, система расчёта основных данных
Софт
КОМПАС-3D 21 Как открыть?
Отзывов пока нет
Задать вопрос
Содержимое архива
  • icon-xls 2 часть РГР.xlsx
  • icon-doc ЛОПАСТИ ПЕЧАТАТЬ.docx
  • icon-m3d Рабочее Колесо 3d.m3d
  • icon-step Рабочее Колесо 3d.stp
  • icon-cdw Рабочее колесо.cdw
  • icon-jpg Рабочее колесо.jpg
  • icon-xls Таблица расчёта Характеристики насоса.xlsx
Чтобы скачать чертеж, 3D модель или проект, Вы должны зарегистрироваться и принять участие в жизни сайта. Посмотрите, как тут скачивать файлы
Отзывов пока нет
Чтобы оставить отзыв, необходимо войти
Войти с помощью:

Используя функцию входа через сторонние сервисы, Вы соглашаетесь на обработку персональных данных в соответствии с Политикой конфиденциальности