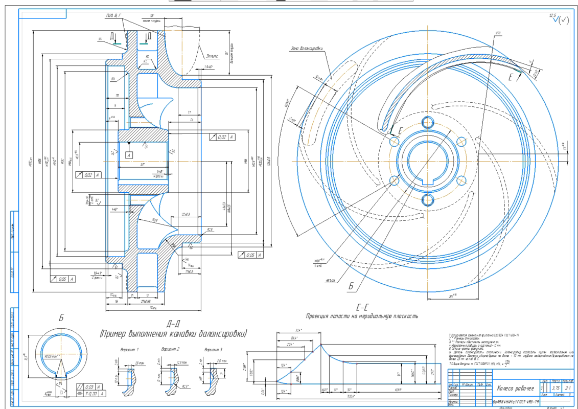
Данное рабочее колесо устанавливается в насосе НЦВ-40/30Б-ОМ5. Данный чертеж разработан на основании снятых размеров с колеса рабочего для организации его изготовления.
- Главная -
- Чертежи -
- Машиностроение и механика -
- Гидравлика и пневматика -
- Насосы и насосные станции -
- Колесо рабочее насоса НЦВ-40/30Б-ОМ5
Колесо рабочее насоса НЦВ-40/30Б-ОМ5
0
1
69
0
0
20
Сообщить о проблеме
Автор
Дата
24.03.2026
Язык
Русский
Состав
чертеж
Софт
КОМПАС-3D 22
Как открыть?
Отзывов пока нет
Содержимое архива
-
Колесо рабочее Насос НЦВ-40_30Б.cdw
Чтобы скачать чертеж, 3D модель или проект, Вы должны зарегистрироваться
и принять участие в жизни сайта. Посмотрите, как тут скачивать
файлы
Отзывов пока нет
Чтобы оставить отзыв, необходимо войти
Войти с помощью:
Используя функцию входа через сторонние сервисы, Вы соглашаетесь на обработку персональных данных в соответствии с Политикой конфиденциальности
Используя функцию входа через сторонние сервисы, Вы соглашаетесь на обработку персональных данных в соответствии с Политикой конфиденциальности