Часто бывает нужна модель, но в каталоге её нет. Это габаритная модель из каталога для добавления в сборки.
- Главная -
- Чертежи -
- Машиностроение и механика -
- Гидравлика и пневматика -
- Скоба монтажная Camozzi NXM4-1-2-KK
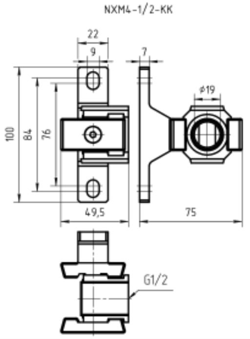
Скоба монтажная Camozzi NXM4-1-2-KK
0
0
21
0
0
20
Сообщить о проблеме
Автор
Дата
20.11.2025
Язык
Русский
Состав
Скоба монтажная Camozzi NXM4-1-2-KK
Софт
SolidWorks 23
Как открыть?
Отзывов пока нет
Содержимое архива
-
NXM4-1-2-KK.SLDPRT
-
NXM4-1-2-KK.STEP
Чтобы скачать чертеж, 3D модель или проект, Вы должны зарегистрироваться
и принять участие в жизни сайта. Посмотрите, как тут скачивать
файлы
Задания с фриланса
Сконструировать мост 5 тонной подвесной кран-балки пролетом 15 метров с вылетом консолей по 1 метру.
договорная
2 дня назад
3 недели назад
Отзывов пока нет
Чтобы оставить отзыв, необходимо войти
Войти с помощью:
Используя функцию входа через сторонние сервисы, Вы соглашаетесь на обработку персональных данных в соответствии с Политикой конфиденциальности
Используя функцию входа через сторонние сервисы, Вы соглашаетесь на обработку персональных данных в соответствии с Политикой конфиденциальности