Перейти к содержимому
Войти

Разъем РШ

0
0
96
0
0
20

Разъемы предназначены для подсоединения электротехнических устройств мощностью до 5 кВт (32 А) к трехфазной и однофазной сети переменного тока напряжением 660В с частотой 50 Гц. Обычно их используют для подключения электрических плит, варочных панелей и духовых шкафов.


Сообщить о проблеме
Автор
user-avatar Vladimir962304
Дата
25.08.2022
Язык
Русский
Состав
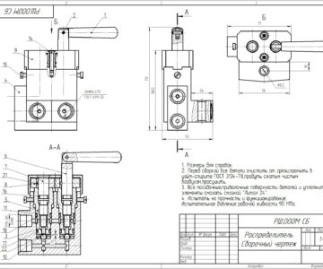
3D Сборка Разъем РШ 660В 25А состоит из коромысло, корпус внутренний, корпус, шайба.
Софт
КОМПАС-3D 20 Как открыть?
Отзывов пока нет
Задать вопрос
Содержимое архива
  • icon-m3d
    Коромысло.m3d
  • icon-m3d
    Корпус.m3d
  • icon-m3d
    Корпус внутренний.m3d
  • icon-a3d
    Разъем РШ 660В 25А.a3d
  • icon-m3d
    Шайба.m3d
Чтобы скачать чертеж, 3D модель или проект, Вы должны зарегистрироваться и принять участие в жизни сайта. Посмотрите, как тут скачивать файлы
Отзывов пока нет
Чтобы оставить отзыв, необходимо войти
Войти с помощью:

Используя функцию входа через сторонние сервисы, Вы соглашаетесь на обработку персональных данных в соответствии с Политикой конфиденциальности