Перейти к содержимому
Войти

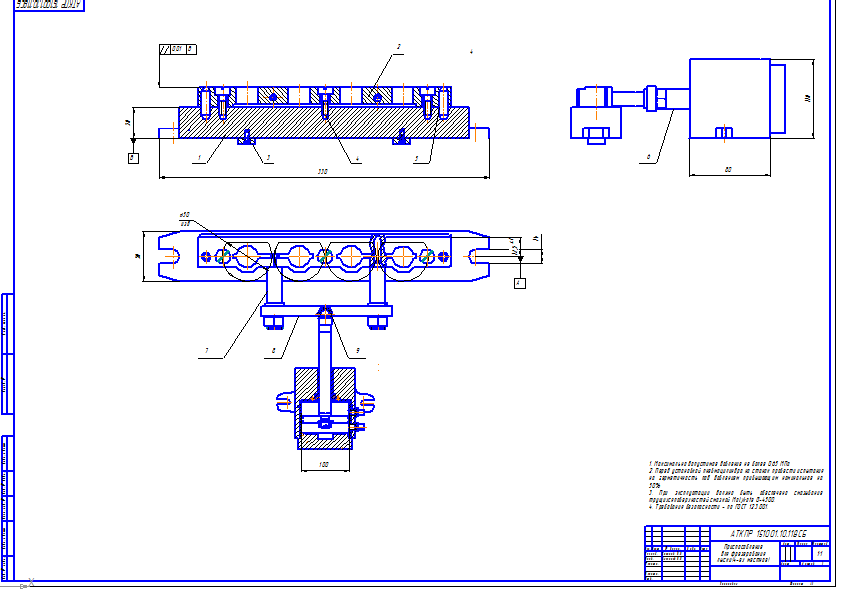
Проектирование и расчет станочного приспрособления для фрезерования лысок(4ех-местное)

0
249
3758
15
0
20

Пермский Авиационный техникум им А.Д.Швецова
Кафедра технологии машиностроения
Курсовой по дисциплине "Технологическая оснастка"
На тему:"Проектирование станочного приспособления для фрезерования лысок (4ех местное)

В данном проекте рассматривается станочное приспособление для фрезерования лысок.Произведен расчет на погрешность базирования,усилие закрепления и режимы резания на операцию на которой применяется данное приспособления. Подобран режущий инструмент,вспомогательный.Произведена модернизация приспособления,а именно механизация пп пневмотическим приводом двух стороннего действия

Констркуторская часть
Данное приспособление относится к классу специальных приспособлений для конкретных операций. По числу устанавливаемых ЗГ приспособление является четырехместным. По числу используемых инструментов одноинструментальное. По степени непрерывности обработки дискретное.

Характеристика используемого технологического оборудования
Вертикально фрезерный станок 6Р12 предназначен для выполнения разнообразных фрезерных, сверлильных и расточных работ при обработке деталей любой формы из стали, чугуна, цветных металлов, их сплавов и других материалов.
Поворотная шпиндельная головка станков оснащена механизмом ручного осевого перемещения гильзы шпинделя, что позволяет производить обработку отверстий, ось которых расположена под углом до ±45° к рабочей поверхности стола.
Мощность приводов и высокая жесткость станков позволяют применять фрезы, изготовленные из быстрорежущей стали, а также инструмент, оснащенный пластинками из твердых и сверхтвердых


Сообщить о проблеме
Дата
29.05.2014
Язык
Русский
Состав
Приспособления(СБ) Спецификация,Чертеж детали
Софт
КОМПАС-3D 13 Как открыть?
Отзывов пока нет
Задать вопрос
Содержимое архива
    • icon-cdw Prisposoblenie chist.cdw
    • icon-spw Спецификация!.spw
    • icon-cdw ЦАПФА.cdw
    • icon-doc тех оснатка2.docx
Чтобы скачать чертеж, 3D модель или проект, Вы должны зарегистрироваться и принять участие в жизни сайта. Посмотрите, как тут скачивать файлы
Отзывов пока нет
Чтобы оставить отзыв, необходимо войти
Войти с помощью:

Используя функцию входа через сторонние сервисы, Вы соглашаетесь на обработку персональных данных в соответствии с Политикой конфиденциальности