Перейти к содержимому
Войти

Проектирование и расчёт фасонного резца

0
100
1947
14
0
20

СПбПУ им. Петра Великого
Кафедра технологии машиностроения
Курсовой проект по дисциплине "Режущий инструмент"
На тему: "Проектирование режущих инструментов. Фасонный резец"
Санкт-Петербург 2016

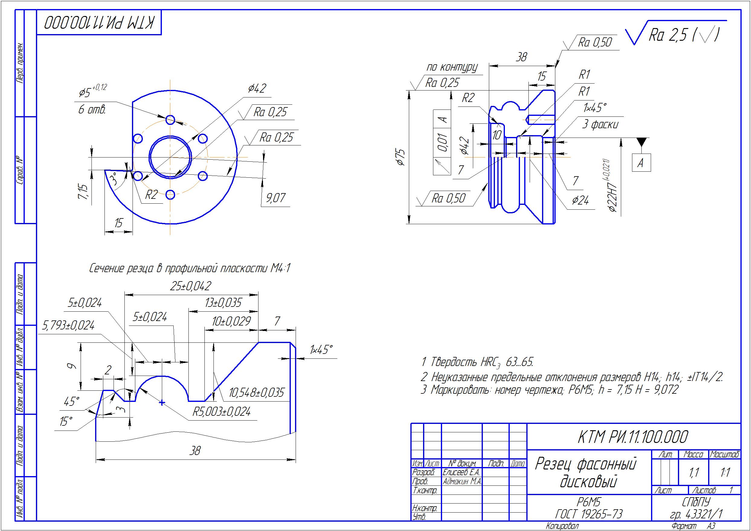
№ вар. 11, l1 = 10, l2 = 3, l5 = 10, l8 = 3, d1 = 18, d2 = 18, d3 = 40, d4 = 40, d5=30, d6 = 40, d7=40, r = 5, L = 30, Матер. детали - бронза, Напр. вращ. - левое, Суппорт - передний, Тип резца - дисковый

Оглавление

1. Исходные данные. 3
2. Выбор величины заднего угла α 3
3. Выбор переднего угла γ 4
4. Вычисление глубины профиля детали 4
5. Определение узловых точек профиля детали 4
6. Подбор габаритных и присоединительных размеров 5
7. Расчет установочных и эксплуатационных параметров 5
8. Расчет глубины профиля резца 5
9. Результаты расчета 6
10. Отклонения формы конических участков 6
11. Расчет корригированного радиуса в профильной плоскости 7
12. Проектирование участка под отрезной резец 7
13. Выбор материала для изготовления резца 8
Список литературы 9


Сообщить о проблеме
Автор
user-avatar elisevgeniy
Дата
02.04.2017
Язык
Русский
Состав
ПЗ, Чертёж (резец)
Софт
КОМПАС-3D 16,1 Как открыть?
Отзывов пока нет
Задать вопрос
Содержимое архива
  • icon-doc РИ. Курсач. Фасонный резец. Вар. 11.docx
  • icon-cdw Чертеж резца.cdw
Чтобы скачать чертеж, 3D модель или проект, Вы должны зарегистрироваться и принять участие в жизни сайта. Посмотрите, как тут скачивать файлы
Отзывов пока нет
Чтобы оставить отзыв, необходимо войти
Войти с помощью:

Используя функцию входа через сторонние сервисы, Вы соглашаетесь на обработку персональных данных в соответствии с Политикой конфиденциальности