Перейти к содержимому
Войти

Проектирование инструментальной наладки и режущих инструментов -дискового долбяка, сборного резца с МНП и насадного зенкера с МНП

0
255
1785
2
0
80

Белорусский национальный технический университет
Машиностроительный факультет
Кафедра «Металлорежущие станки и инструменты»
Курсовой проект по дисциплине «Инструментальные системы»
На тему: «Проектирование инструментальной наладки и режущих инструментов»

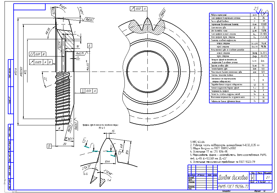
Данный курсовой проект по дисциплине “Режущий инструмент и инструментальное обеспечение автоматизированного производства” включает в себя разделы по разработке инструментальной наладки, расчету и конструированию дискового долбяка для нарезания зубьев косозубых цилиндрических колес, сборного резца с МНП и насадного зенкера с МНП.
Разработка инструментальной наладки для детали. Материал детали сталь. Для этого необходимо разработать маршрутную технологию, выбрать режущие и вспомогательные инструменты, рассчитать режимы резания, описать настройку инструмента вне станка и вычертить инструментальную наладку.
Графическая часть проекта состоит из рабочего чертежа дискового долбяка, сборного резца с МНП и насадного зенкера с МНП, а так же из рабочего чертежа инструментальной наладки.


Сообщить о проблеме
Автор
user-avatar hugo92
Дата
08.05.2015
Язык
Русский
Состав
Долбяк дисковый (А2), Инструментальная наладка (А1), Насадной зенкер с МНП (А3), Резец сборный с МНП (А2), Спецификация для насадного зенкера и резца с МНП, ПЗ
Софт
КОМПАС-3D 12 Как открыть?
Отзывов пока нет
Задать вопрос
Содержимое архива
  • Проектирование инструментальной наладки и режущих инструментов
    • Насадной зенкер с МНП (A3).cdw
    • Инструментальная наладка (А1).cdw
    • Спецификация для резца.spw
    • Резец сборный с МНП (А2).cdw
    • Спецификация для насодного зенкера с мнп.spw
    • Пояснительная записка.docx
    • Долбяк дисковый (A2).cdw
Чтобы скачать чертеж, 3D модель или проект, Вы должны зарегистрироваться и принять участие в жизни сайта. Посмотрите, как тут скачивать файлы
Отзывов пока нет
Чтобы оставить отзыв, необходимо войти
Войти с помощью:

Используя функцию входа через сторонние сервисы, Вы соглашаетесь на обработку персональных данных в соответствии с Политикой конфиденциальности