Перейти к содержимому
Войти

Комплексный дипломный проект станка для сверления отверстий

0
283
1570
2
0
200

Кременчугский Национальный Университет
Кафедра процессов и оборудования механической и физико- технической обработки
Комплексный дипломный проект станка для сверления отверстий
На тему "Разработка специального четырехстороннего агрегатно-сверлильного станка модели СМ 1684."
Кременчуг 2009

Разработка специального четырехстороннего агрегатно-сверлильного станка модели СМ 1684. (комплексный дипломный проект).
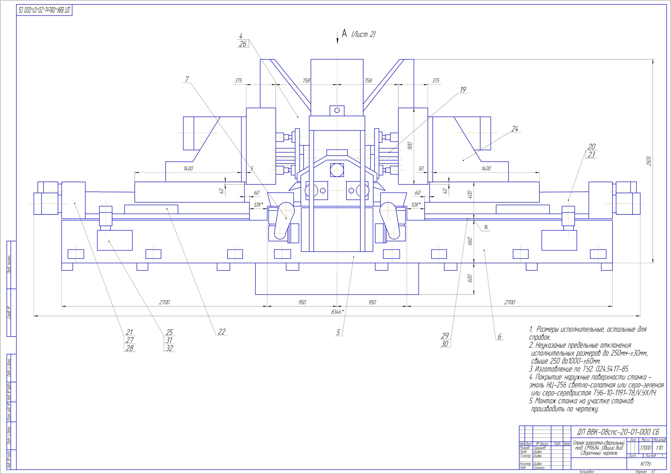
Разработан специальный четырехсторонний агрегатно-сверлильный станок модели СМ 1684 для сверления отверстий в балке хребтовой грузовых вагонов на базе специального четырехстороннего агрегатно-сверлильного станка модели СМ 1683.
Разработан техпроцесс изготовления шестерни, произведен силовой и прочностной расчет приспособления фрезерования зубьев шестерни, произведен расчет экономического эффект от внедрения станка, разработаны мероприятия по охране труда.
Чертежей ― 16 листов; страниц ― 225;
рисунков ― 20; таблиц ― 30; формул - 168.


Сообщить о проблеме
Автор
user-avatar lordiq
Дата
21.06.2015
Язык
Русский
Состав
Чертежи(Балка хребтовая правая,Коробка 18 шпиндельная,Сборочный чертеж,Ловитель,Общий вид,Плита кондукторная,Приспособление,Стол силовой,Сверло,Допуска,Колесо зубчатое,Наладка,Проеспособление зубоф), Спецификации,записка
Софт
КОМПАС-3D 13 SP1 Как открыть?
Отзывов пока нет
Задать вопрос
Содержимое архива
      • icon-doc 1.doc
      • icon-doc 12.doc
      • icon-doc 14.doc
      • icon-doc 015-1.doc
      • icon-doc 020-1.doc
      • icon-doc 030-1.doc
      • icon-doc 035-1.doc
      • icon-frw Shest.frw
      • icon-doc МК1.doc
      • icon-doc МК2.doc
      • icon-doc МК3.doc
        • icon-cdw Балка хребтовая правая.cdw
        • icon-spw Балка хребтовая правая.spw
        • icon-cdw КС18 .cdw
        • icon-spw КС18.spw
        • icon-cdw Коробка 18 шпиндельная.cdw
        • icon-spw Коробка 18 шпиндельная.spw
        • icon-cdw Ловитель.cdw
        • icon-spw Ловитель.spw
        • icon-spw Общий вид.spw
        • icon-cdw Общий вид 1лист.cdw
        • icon-jpg Общий вид 1лист.jpg
        • icon-png Общий вид 1лист.png
        • icon-cdw Общий вид 2лист.cdw
        • icon-cdw ПНЕВМО~1.CDW
        • icon-spw Плита кодукторная 440.spw
        • icon-cdw Плита кондукторная.cdw
        • icon-cdw Приспособление.cdw
        • icon-spw Приспособление.spw
        • icon-cdw Приспособление лист2.cdw
        • icon-spw Силовой стол.spw
        • icon-cdw Стол силовой.cdw
        • icon-cdw Допуска.cdw
        • icon-cdw Колесо зубчатое.cdw
        • icon-cdw Колесо зубчатое1234556.cdw
        • icon-cdw Наладка1.cdw
        • icon-cdw ПРИСПОСОБЛЕНИЕ ЗУБОФ.CDW
        • icon-spw СПЕЦИФИКАЦИЯ ПРИСПОСОБЫ.SPW
        • icon-frw Фрагмент.frw
        • icon-cdw Сверло.cdw
    • icon-doc 1 КОНСТРУКТОРСКАЯ ЧАСТЬ.doc
    • icon-doc 1 КОНСТРУКТОРСКАЯ ЧАСТЬ.docx
    • icon-doc 3 раздел.doc
    • icon-clean Thumbs.db
    • icon-doc Аннотация.doc
    • icon-doc Аннотация.docx
    • icon-doc Констр 1 вост.doc
    • icon-doc Констр 1 вост.docx
    • icon-doc Приложения.doc
    • icon-spw Спецификация ведомость.spw
    • icon-doc Список литературы.doc
    • icon-doc Список литературы.docx
    • icon-doc Экономика Турищев.doc
    • icon-doc Экономика Турищев.docx
    • icon-doc охрана труда Турищев.doc
    • icon-doc охрана труда Турищев.docx
Чтобы скачать чертеж, 3D модель или проект, Вы должны зарегистрироваться и принять участие в жизни сайта. Посмотрите, как тут скачивать файлы
Отзывов пока нет
Чтобы оставить отзыв, необходимо войти
Войти с помощью:

Используя функцию входа через сторонние сервисы, Вы соглашаетесь на обработку персональных данных в соответствии с Политикой конфиденциальности