Перейти к содержимому
Войти

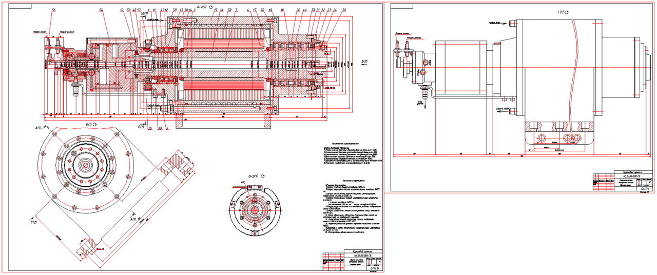
Шпиндельная бабка токарного станка с наклонной станиной с ЧПУ на основе мотор-шпинделя

0
0
79
0
0
60

МИНИСТЕРСТВО ОБРАЗОВАНИЯ РЕСПУБЛИКИ БЕЛАРУСЬ
БЕЛОРУССКИЙ НАЦИОНАЛЬНЫЙ ТЕХНИЧЕСКИЙ УНИВЕРСИТЕТ
КАФЕДРА «Технологическое оборудование»
КУРСОВОЙ ПРОЕКТ
Тема: «Шпиндельная бабка токарного станка с наклонной станиной с ЧПУ на основе мотор-шпинделя»
, 2025

Исходные данные:
-максимальный диаметр обрабатываемой детали,мм-220;
-максимальный диаметр устанавливаемой детали,мм-500;
-максимальная частота вращения шпинделя,об/мин-7000;
-номинальная частота вращения шпинделя,об/мин-1500;
-максимальный крутящий момент на шпинделе, Нм -95;
-софт: AutoCAD 13 и Компас 3D V18.

СОДЕРЖАНИЕ
ВВЕДЕНИЕ
1 ОБЗОР И АНАЛИЗ ТЕХНИЧЕСКИХ И ПАТЕНТНЫХ ИСТОЧНИКОВ ПО КОМПОНОВКАМ, ТЕХНИЧЕСКИМ ХАРАКТЕРИСТИКАМ, УЗЛАМ СТАНКОВ-АНАЛОГОВ.
2 ОБЩИЕ СВЕДЕНИЯ О ПРОЕКТИРУЕМОМ СТАНКЕ
2.1 Назначение проектируемого станка. Схемы и описание выполняемых на станке операций
2.2 Схемы станка: кинематическая, компоновки, рабочей зоны
2.3 Схемы возможных приводов главного движения данного станка и их характеристики
2.4 Определение расчётной частоты вращения шпинделя, мощности и наибольшего момента на нём
2.5 Выбор электродвигателя
3 КИНЕМАТИЧЕСКИЙ РАСЧЁТ ПРИВОДА
3.1 Определение диапазона регулирования, знаменателя ряда частот, вращения шпинделя. Ряд частот вращения
3.2 Диаграммы мощности привода и крутящего момента на шпинделе
4 ПРЕДВАРИТЕЛЬНЫЙ РАСЧЁТ ПРИВОДА
4.1 Установление расчётной цепи привода
4.2 Определение расчетного крутящего момента на валах
4.3 Выбор материала для изготовления элементов привода
5 ОБОСНОВАНИЕ ГЛАВНЫХ РАЗМЕРОВ И КОНСТРУКЦИИ ШПИНДЕЛЬНОГО УЗЛА
5.1 Обоснование диаметра передней шейки шпинделя, межопорного расстояния
5.2 Выбор типа подшипников для опор шпинделя, исходя из требуемой быстроходности шпинделя, его точности, жесткости, условий смазываемости, компоновки шпиндельного узла
5.3 Обоснование схемы установки подшипников в опорах
5.4 Выбор способа создания и регулирования предварительного натяга подшипников
5.5 Выбор материала для шпинделя и технологии его термической обработки
5.6 Обоснование метода и системы смазывания шпиндельных опор
5.7 Описание уплотнений шпиндельных опор
5.8 Обоснование допустимых отклонений размеров поверхностей, сопряженных с подшипниками опор шпинделя
5.9 Обоснование выбора механизма зажима
6 УТОЧНЁННЫЕ РАСЧЁТЫ ПРИВОДА И ШПИНДЕЛЬНОГО УЗЛА
6.1 Расчёт шпиндельного узла на жёсткость: полуконструктивная схема шпиндельного узла, расчёт сил резания и на приводном элементе, расчёт момента инерции шпинделя, определение жёсткости шпинделя, заключение по расчёту
7 РАЗРАБОТКА СМАЗОЧНОЙ СИСТЕМЫ
7.1 Выбор типа смазочной системы и смазочного материала для смазывания элементов коробки скоростей. Схема смазочной системы
Литература


Сообщить о проблеме
Дата
22.11.2025
Язык
Русский
Состав
Чертежи и спецификация в AutoCAD и Компас. Общий вид: А0+А1. Спецификация 3 листа А4.Пояснительная записка-41 лист.
Софт
КОМПАС-3D 18 Как открыть?
Отзывов пока нет
Задать вопрос
Содержимое архива
  • icon-doc Записка.doc
  • icon-cdw Мотор-шпиндель токарного станка.cdw
  • icon-dwg Мотор-шпиндель токарного станка.dwg
  • icon-jpg Мотор-шпиндель токарного станка.jpg
Чтобы скачать чертеж, 3D модель или проект, Вы должны зарегистрироваться и принять участие в жизни сайта. Посмотрите, как тут скачивать файлы
Отзывов пока нет
Чтобы оставить отзыв, необходимо войти
Войти с помощью:

Используя функцию входа через сторонние сервисы, Вы соглашаетесь на обработку персональных данных в соответствии с Политикой конфиденциальности