Перейти к содержимому
Войти

Проектирование шпиндельного узла координатно-расточного станка

0
0
128
1
0
40

МИНИСТЕРСТВО ОБРАЗОВАНИЯ И НАУКИ РОССИЙСКОЙ ФЕДЕРАЦИИ
Федеральное государственное автономное образовательное учреждение высшего образования
«НАЦИОНАЛЬНЫЙ ИССЛЕДОВАТЕЛЬСКИЙ ТОМСКИЙ ПОЛИТЕХНИЧЕСКИЙ УНИВЕРСИТЕТ»
КУРСОВОЙ ПРОЕКТ
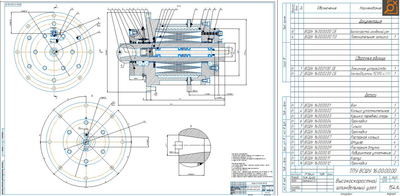
ПРОЕКТИРОВАНИЕ ВЫСОКОСКОРОСТНОГО ШПИНДЕЛЬНОГО УЗЛА КООРДИНАТНО-РАСТОЧНОГО СТАНКА
по дисциплине: МОО
2022г.

Исходные данные:
Станок с ЧПУ-Координатно-расточной
Шпиндельный узел:
Мощность привода, кВт -12
Число оборотов, об/мин - 40000
Расположение - вертикальное
Инструмент - Фр. концевая

Обрабатываемый материал: Сталь 45 (НВ260…320)
Материал инструмента: T15K6

Содержание
1. Исходные данные 3
2. Кинематическая схема 4
3. Выбор электродвигателя шпиндельного узла 5
4. Расчет силовых характеристик резания 6
5. Расчет опор в шпиндельном узле 9
6. Расчет и выбор подшипников по динамической грузоподъемности 12
7. Выбор способа смазывания подшипников в опорах 14
8. Определение жесткости шпиндельного узла 15
Заключение 19
Список использованной литературы 20


Сообщить о проблеме
Дата
19.10.2025
Язык
Русский
Состав
Шпиндель (СБ), Спецификация, ПЗ
Софт
КОМПАС-3D 21 Как открыть?
Отзывов пока нет
Задать вопрос
Содержимое архива
    • icon-doc ПЗ.docx
    • icon-spw Спецификация.spw
    • icon-cdw Шпиндель.cdw
Чтобы скачать чертеж, 3D модель или проект, Вы должны зарегистрироваться и принять участие в жизни сайта. Посмотрите, как тут скачивать файлы
Отзывов пока нет
Чтобы оставить отзыв, необходимо войти
Войти с помощью:

Используя функцию входа через сторонние сервисы, Вы соглашаетесь на обработку персональных данных в соответствии с Политикой конфиденциальности