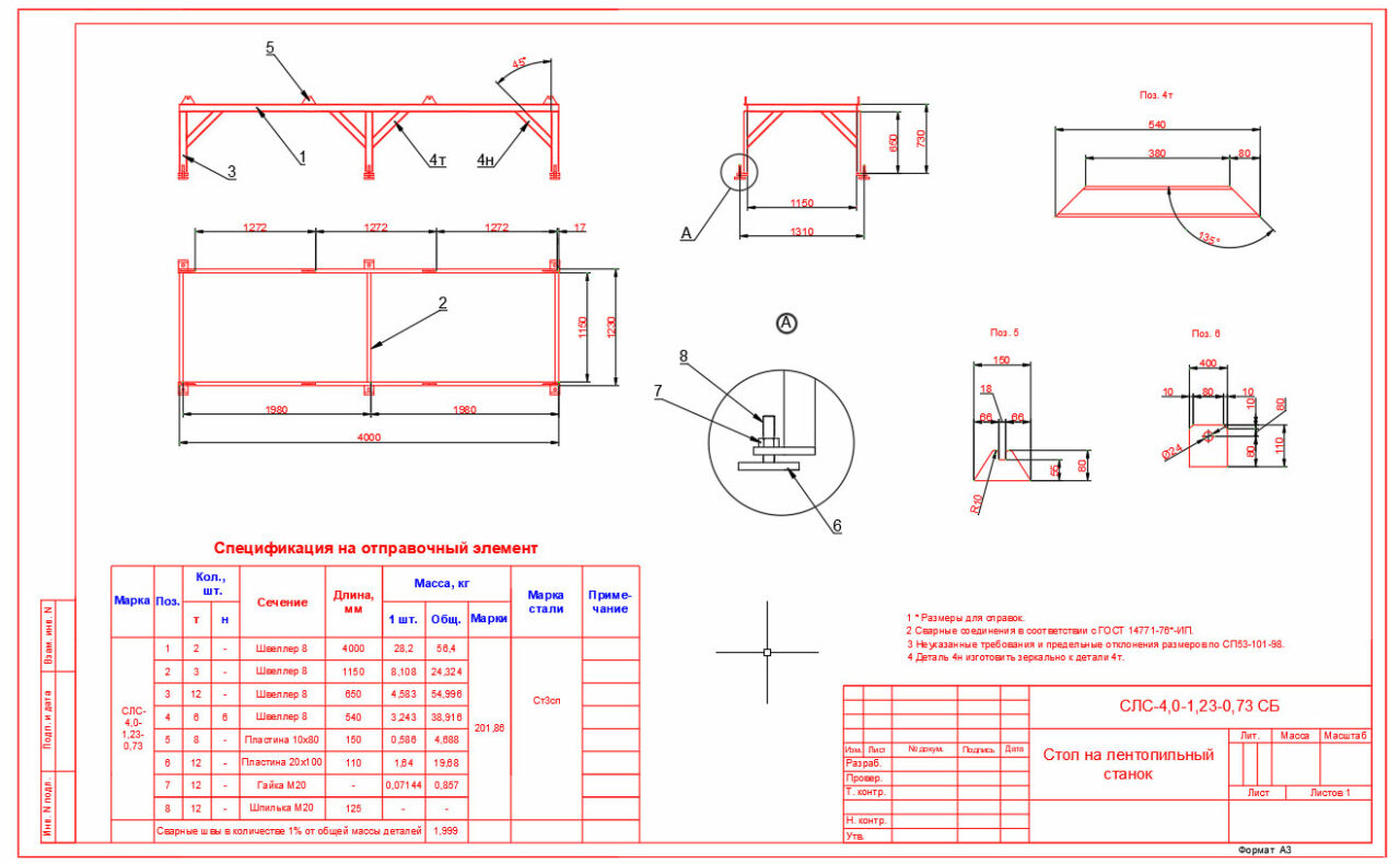
Стол подающий для ленточнопильного станка. Длина стола 4м, ширина 1,23 м, высота 0,73м. Масштабируемый в длину.
- Главная -
- Чертежи -
- Машиностроение и механика -
- Станки и инструменты -
- Деревообрабатывающие станки -
- Стол подающий для ленточнопильного станка
Стол подающий для ленточнопильного станка
0
0
131
0
0
20

Сообщить о проблеме
Автор
Дата
21.06.2024
Язык
Русский
Состав
Сборочный чертеж, деталировка, спецификация СЛС-4,0-1,23-0,73 СБ
Софт
AutoCAD 2020
Как открыть?
Отзывов пока нет
Содержимое архива
Чтобы скачать чертеж, 3D модель или проект, Вы должны зарегистрироваться
и принять участие в жизни сайта. Посмотрите, как тут скачивать
файлы
Отзывов пока нет
Чтобы задать вопрос, необходимо войти
Войти с помощью:
Ссылка на логин через google
Ссылка на логин через vk
Ссылка на логин через yandex