Перейти к содержимому
Войти

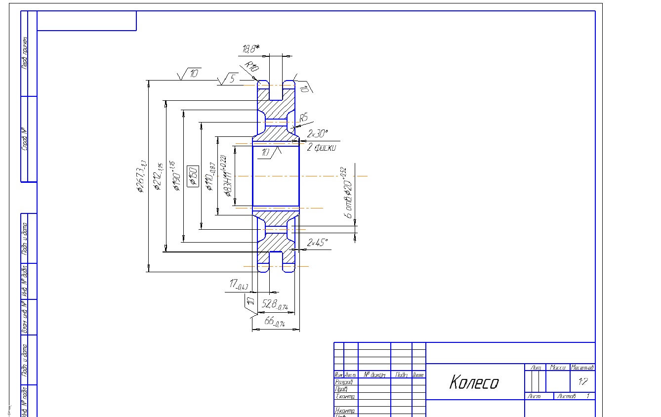
Разработка процесса изготовления двухрядной звездочки

0
200
2698
39
0
20

Брянская государственная инженерно-технологическая академия
Кафедра оборудования лесного комплекса
Курсовая работа по дисциплине «Технология машиностроения»
На тему «Разработка процесса изготовления двухрядной звездочки»
Брянск 2013

В данной работе рассматривается разработка процесса изготовления двухрядной звездочки. Произведен расчет маршрутного технологического процесса, рассчитаны нормы времени.
Графическая часть содержит 2 листа А3, 21 страница пояснительной записки, 4 рисунка, 3 таблицы и источников.


Сообщить о проблеме
Автор
user-avatar Ivento
Дата
10.06.2015
Язык
Русский
Состав
Чертеж колеса, Чертеж штамповки, ПЗ
Софт
КОМПАС-3D 15 Как открыть?
Отзывов пока нет
Задать вопрос
Содержимое архива
  • icon-cdw
    1_list_frolov.cdw
  • icon-cdw
    2_list_frolov.cdw
  • icon-doc
    zapiska_frolov.doc
Чтобы скачать чертеж, 3D модель или проект, Вы должны зарегистрироваться и принять участие в жизни сайта. Посмотрите, как тут скачивать файлы
Отзывов пока нет
Чтобы оставить отзыв, необходимо войти
Войти с помощью:

Используя функцию входа через сторонние сервисы, Вы соглашаетесь на обработку персональных данных в соответствии с Политикой конфиденциальности