Перейти к содержимому
Войти

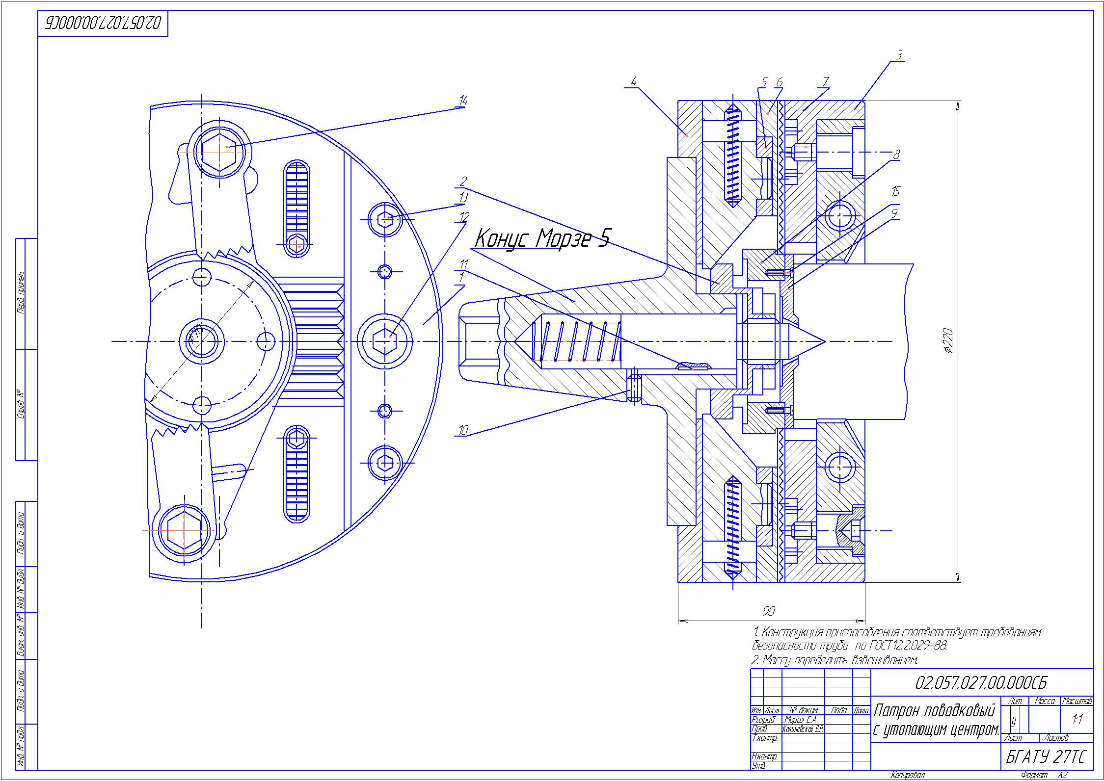
Технологический маршрут механической обработки вала с использованием патрона поводкового с утопающим центром

0
204
3123
41
1
60

Учреждение образования
БЕЛОРУССКИЙ ГОСУДАРСТВЕННЫЙ АГРАРНЫЙ ТЕХНИЧЕСКИЙ УНИВЕРСИТЕТ
Кафедра технолологии материалов
КУРСОВОЙ ПРОЕКТ
По технологии сельскохозяйственного машиностроения на тему: Технологический маршрут механической обработки вала с использованием патрона поводкового с утопающим центром
Минск 2009

С О Д Е Р Ж А Н И Е

Введение…
1. Технологический раздел
1.1. Назначение и особенности конструкции детали
1.2. Анализ базового технологического процесса
1.3. Определение типа производства
1.4. Выбор заготовки
1.5. Выбор технологических баз
1.6. Проектирование маршрутного технологического процесса
1.7. Расчет припусков на обработку
1.8. Расчет режимов резания
1.9. Расчет норм времени
1.10. Расчет точности операции
2. Конструкторский раздел
2.1. Расчет станочного приспособления
2.1.1. Расчет сил резания
2.1.2. Расчет усилия зажима заготовки в приспособлении
3. Экономическое обоснование принятого варианта технологического процесса…
Выводы
Литература


Сообщить о проблеме
Автор
user-avatar Андрей
Дата
09.12.2014
Язык
Русский
Состав
Вал (Рабочий чертеж), Технологический процесс изготовления детали (ТС), Операционные эскизы (ТС) - 2 листа А1, Патрон поводковый с утопающим центром (СБ), спецификация, маршрутная карта, операционная карта, карта эскизов, ПЗ
Софт
КОМПАС-3D 12 SP1 Как открыть?
Отзывов пока нет
Задать вопрос
Содержимое архива
      • icon-doc МК 40Х.doc
      • icon-doc ОК 1.doc
      • icon-doc ОК 2.doc
      • icon-doc ОК 3.doc
      • icon-doc ОК 4.doc
      • icon-frw 1.frw
      • icon-frw 2.frw
      • icon-frw 3.frw
      • icon-frw 4.frw
      • icon-frw 5.frw
      • icon-frw 6.frw
    • icon-cdw 1.cdw
    • icon-cdw 2.cdw
    • icon-doc 33.doc
    • icon-cdw prisposobapatron.cdw
    • icon-cdw Рабочий чертёж2.cdw
    • icon-cdw Тех проц.cdw
    • icon-txt спецификация.rtf
Чтобы скачать чертеж, 3D модель или проект, Вы должны зарегистрироваться и принять участие в жизни сайта. Посмотрите, как тут скачивать файлы
Отзывов пока нет
Чтобы оставить отзыв, необходимо войти
Войти с помощью:

Используя функцию входа через сторонние сервисы, Вы соглашаетесь на обработку персональных данных в соответствии с Политикой конфиденциальности