Перейти к содержимому
Войти

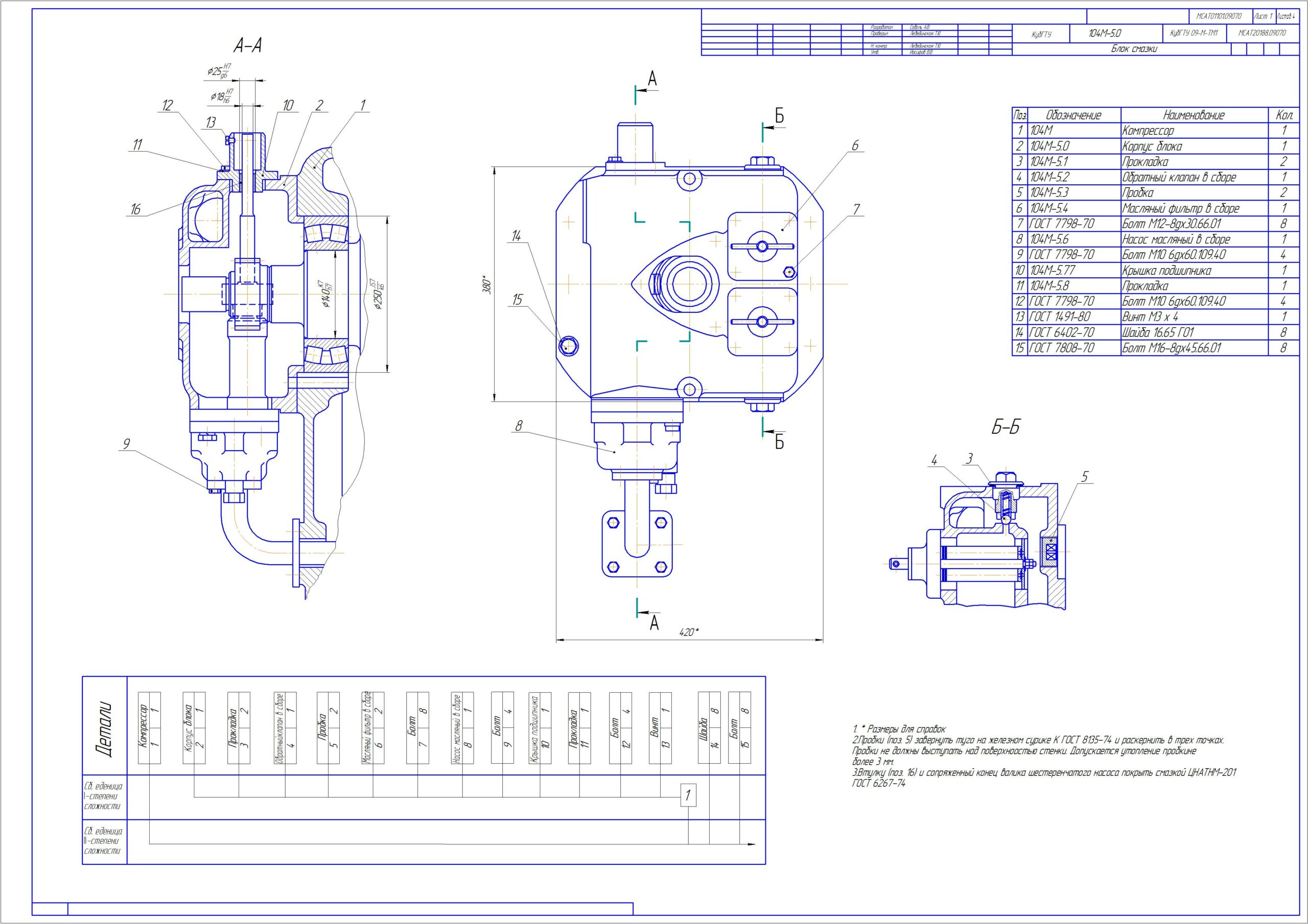
Технологический процесс обработки корпуса блока смазки

0
274
1856
0
0
100

КубГТУ
Кафедра машиностроения и автосервиса
Курсовой проект по дисциплине "Технология машиностроения"
На тему: "Разработка технологического процессасборки блока смазки и технологического процесса изготовления корпуса блока смазки"
Краснодар 2014

Объект исследования: Технологический процесс обработки корпуса блока смазки.
Цель исследования: Оптимизация маршрута обработки детали.
В данной курсовой работе разработан маршрут обработки детали, разра-ботана схема сборки корпуса привода воздуховода, произведен выбор оборудо-вания, проведено нормирование токарных работ.


Сообщить о проблеме
Дата
05.06.2014
Язык
Русский
Состав
Блок смазки компрессора(СБ), Маршрутная карта, Карта эскизов
Софт
КОМПАС-3D 13 Как открыть?
Отзывов пока нет
Задать вопрос
Содержимое архива
    • icon-doc 1 Титульный.doc
    • icon-doc 2 Задание.docx
    • icon-doc 5 Основная часть.docx
    • icon-doc Реф, сод.doc
  • icon-frw Лист 2.1.frw
  • icon-frw Лист 2.frw
  • icon-frw Лист 11.frw
  • icon-frw Лист 33.frw
Чтобы скачать чертеж, 3D модель или проект, Вы должны зарегистрироваться и принять участие в жизни сайта. Посмотрите, как тут скачивать файлы
Отзывов пока нет
Чтобы оставить отзыв, необходимо войти
Войти с помощью:

Используя функцию входа через сторонние сервисы, Вы соглашаетесь на обработку персональных данных в соответствии с Политикой конфиденциальности