Перейти к содержимому
Войти

Аппарат с механическим перемешивающий двухлопастной

1
1
124
2
0
30

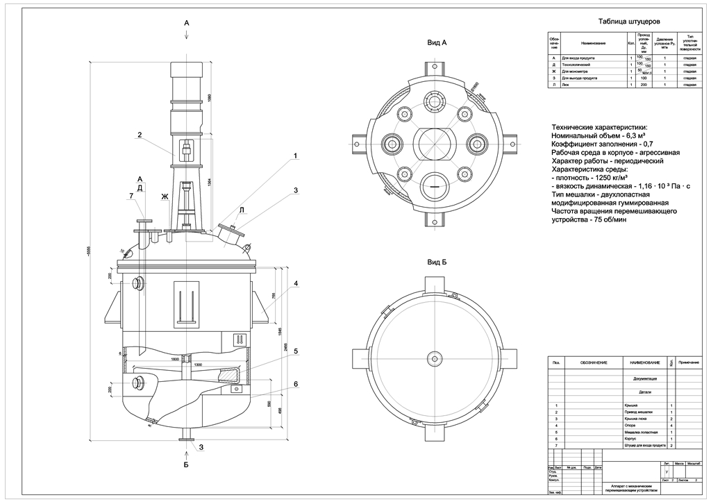
На данном чертеже изображён Аппарат с механическим перемешивающим устройством, используемый при выщелачивании доменных шламов с целью получения оксида цинка

Технические характеристики:
Номинальный объем - 6,3 м³
Коэффициент заполнения - 0,7
Рабочая среда в корпусе - агрессивная
Характер работы - периодический
Характеристика среды:
- плотность - 1250 кг/м³
- вязкость динамическая - 1,16 · 10 ³ Па · с
Тип мешалки - двухлопастная модифицированная гуммированная
Частота вращения перемешивающего устройства - 75 об/мин


Сообщить о проблеме
Автор
user-avatar Line5
Дата
12.08.2021
Язык
Русский
Состав
Аппарат с механическим перемешивающим устройством
Софт
AutoCAD 2013 Как открыть?
Отзывов пока нет
Задать вопрос
Содержимое архива
  • icon-dwg Аппарат с механическим перемешивающим устройством.dwg
Чтобы скачать чертеж, 3D модель или проект, Вы должны зарегистрироваться и принять участие в жизни сайта. Посмотрите, как тут скачивать файлы
Отзывов пока нет
Чтобы оставить отзыв, необходимо войти
Войти с помощью:

Используя функцию входа через сторонние сервисы, Вы соглашаетесь на обработку персональных данных в соответствии с Политикой конфиденциальности