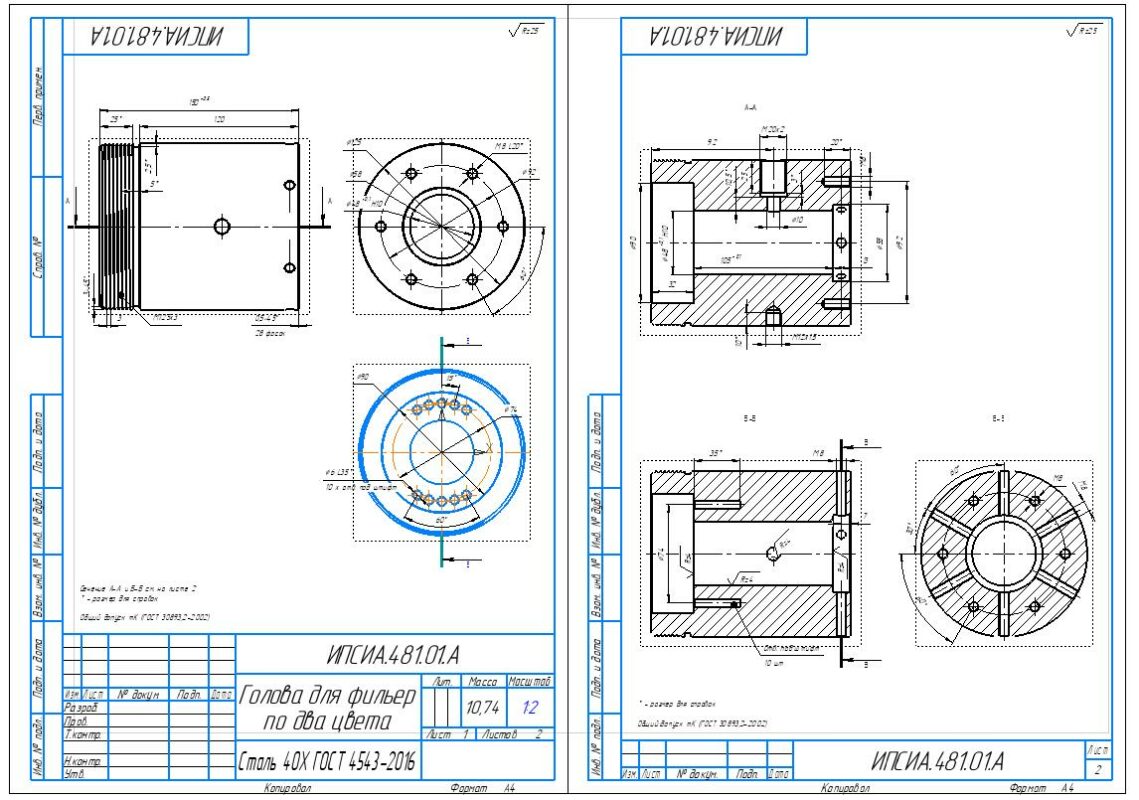
Голова для соединения двух экструдеров со сменными вставками и изготовления двух-цветного тянущего изделия из ПВХ и других полимеров. Установка на экструзионную линию 63, и присоединением одношнековой экструзионной линии 12.
- Главная -
- Чертежи -
- Промышленность -
- Химическая промышленность (ПАХТ и ПАПП) -
- Экструзионная головка под двухцветные изделия
Экструзионная головка под двухцветные изделия
0
0
23
0
0
1 000



Сообщить о проблеме
Автор
Дата
30.09.2025
Язык
Русский
Состав
Голова (СБ), Спецификация, Вставки, Фланцы, Фильера, Шаблоны, Чертежи
Софт
КОМПАС-3D 23
Как открыть?
Отзывов пока нет
Содержимое архива
Чтобы скачать чертеж, 3D модель или проект, Вы должны зарегистрироваться
и принять участие в жизни сайта. Посмотрите, как тут скачивать
файлы
Отзывов пока нет
Чтобы задать вопрос, необходимо войти
Войти с помощью:
Ссылка на логин через google
Ссылка на логин через vk
Ссылка на логин через yandex