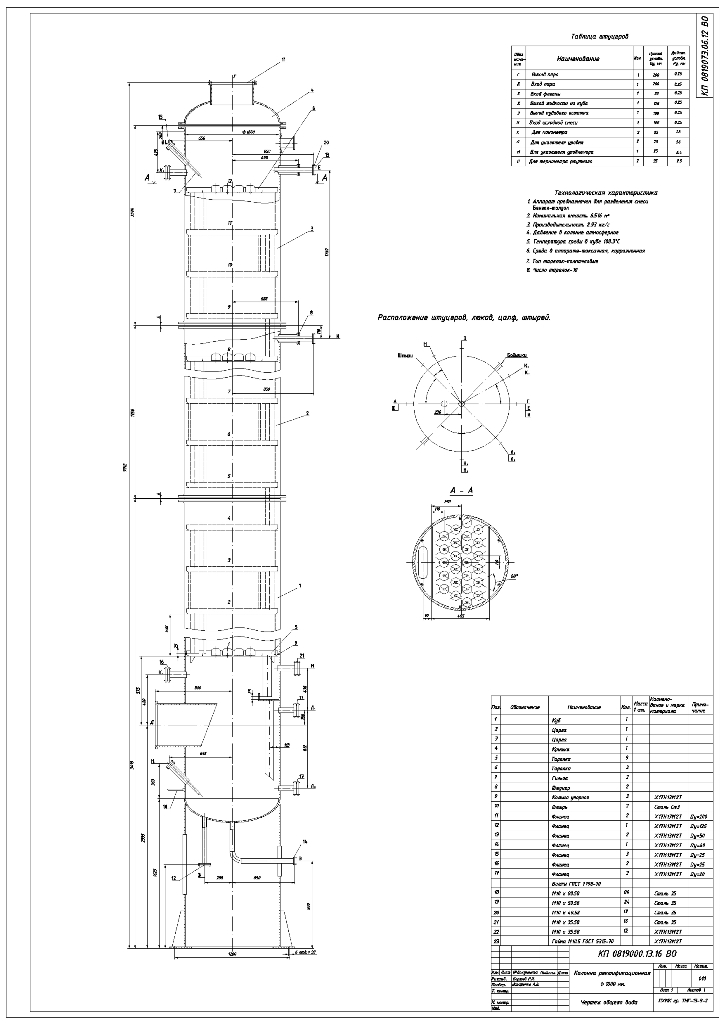
Технологическая характеристика
1. Аппарат предназначен для разделения смеси
Бензол-толуол
2. Номинальная емкость 6.516 м³
3. Производительность 2.93 кг/с
4. Давление в колонне атмосферное
5. Температура среды в кубе 108.3°С
6. Среда в аппарате-токсичная, коррозионная
7. Тип тарелок-колпачковые
8. Число тарелок-10
- Главная -
- Чертежи -
- Промышленность -
- Химическая промышленность (ПАХТ и ПАПП) -
- Колонна ректификационная с числом тарелок-10
Колонна ректификационная с числом тарелок-10
0
0
146
2
0
20
Сообщить о проблеме
Автор
Дата
22.09.2017
Язык
Русский
Состав
Общий вид аппарата
Софт
AutoCAD 2017
Как открыть?
Отзывов пока нет
Содержимое архива
-
Колонна Ректификационная_2.dwg
Чтобы скачать чертеж, 3D модель или проект, Вы должны зарегистрироваться
и принять участие в жизни сайта. Посмотрите, как тут скачивать
файлы
Задания с фриланса
Все задания
Отзывов пока нет
Чтобы оставить отзыв, необходимо войти
Войти с помощью:
Используя функцию входа через сторонние сервисы, Вы соглашаетесь на обработку персональных данных в соответствии с Политикой конфиденциальности
Используя функцию входа через сторонние сервисы, Вы соглашаетесь на обработку персональных данных в соответствии с Политикой конфиденциальности