Перейти к содержимому
Войти

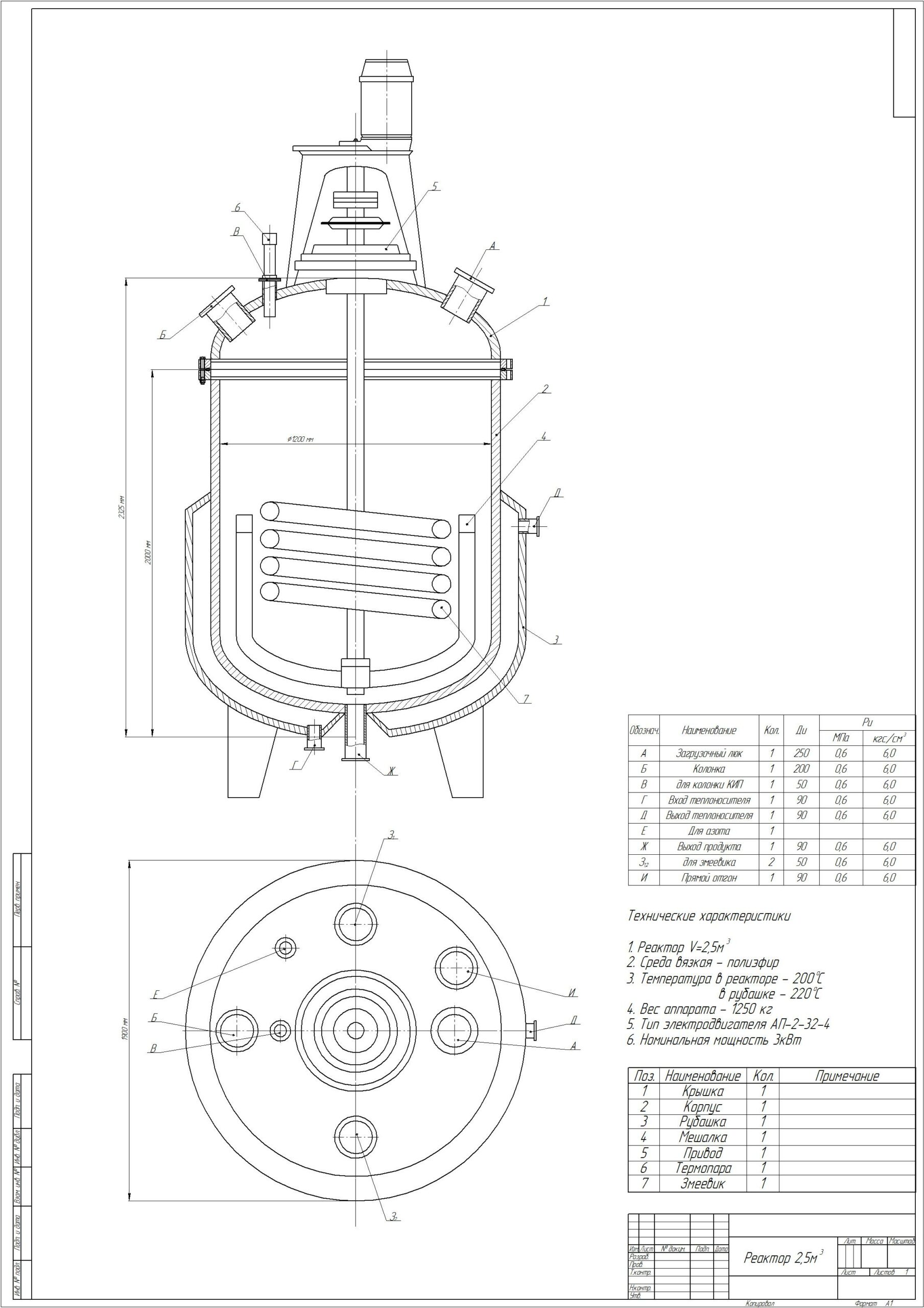
Реактор-полимеризатор (смеситель)

0
7
1005
21
0
450

1. Реактор V=2,5м
2. Среда вязкая - полиэфир
3. Температура в реакторе - 200С
в рубашке - 220С
4. Вес аппарата - 1250 кг
5. Тип электродвигателя АП-2-32-4
6. Номинальная мощность 3кВт

Реактор-полимеризатор; смеситель для химической промышленности. Реактор химического синтеза. Полимеризатор в химической промышленности.


Сообщить о проблеме
Дата
12.08.2021
Язык
Русский
Состав
Реактор-полимеризато (ВО), Спецификация, Таблица штуцеров.
Софт
КОМПАС-3D 14 Как открыть?
Отзывов пока нет
Задать вопрос
Содержимое архива
  • icon-cdw Чертех реактора (и или смесителя) 2,5 м3.cdw
Чтобы скачать чертеж, 3D модель или проект, Вы должны зарегистрироваться и принять участие в жизни сайта. Посмотрите, как тут скачивать файлы
Отзывов пока нет
Чтобы оставить отзыв, необходимо войти
Войти с помощью:

Используя функцию входа через сторонние сервисы, Вы соглашаетесь на обработку персональных данных в соответствии с Политикой конфиденциальности