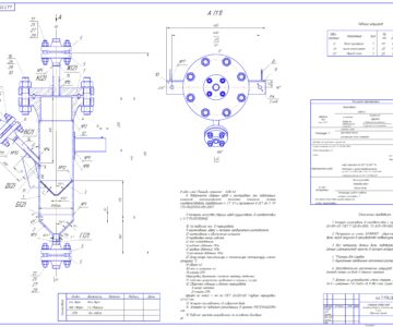
Цилиндрическая конструкция с трубками для ввода и вывода материала (на входе — нефтегазовая смесь, на выходе — ее компоненты) Для предохранения системы и контроля ее безопасной работы корпус оснащен специальной арматурой и элементами отделения материалов. Они занимают меньше места, для них характерна стабильность в работе, низкий уровень обратного испарения. Одно из преимуществ вертикального сепаратора — простота очистки внутренних поверхностей устройства. Широко используются на морских промыслах и бурильных платформах.
Давление рабочие - 4,0-7,5 МПа
Давление расчетное - 8,8 МПа
Температура раб. среды - 12,7 С
Среда - ПНГ
Материал - 09Г2С
- Главная -
- Чертежи -
- Промышленность -
- Добывающая, горная промышленность -
- Нефть и Газ -
- Сепаратор газовый вертикальный V=4м3
Сепаратор газовый вертикальный V=4м3
0
0
22
0
0
200

Сообщить о проблеме
Автор
Дата
06.08.2025
Язык
Русский
Состав
Чертежи и спецификации (см. список файлов)
Софт
КОМПАС-3D 16
Как открыть?
Отзывов пока нет
Содержимое архива
Чтобы скачать чертеж, 3D модель или проект, Вы должны зарегистрироваться
и принять участие в жизни сайта. Посмотрите, как тут скачивать
файлы
Отзывов пока нет
Чтобы задать вопрос, необходимо войти
Войти с помощью:
Ссылка на логин через google
Ссылка на логин через vk
Ссылка на логин через yandex