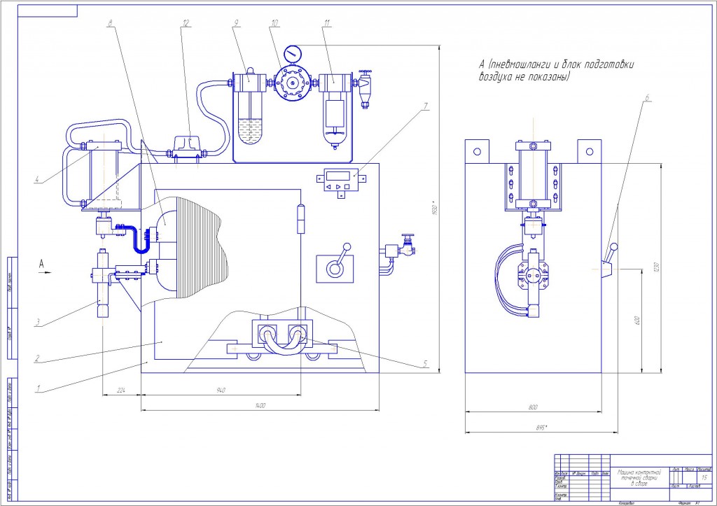
Машина контактной сварки. Показаны основные узлы. Может использоваться для составления планировок и проектов цехов.
- Главная -
- Чертежи -
- Промышленность -
- Металлургия -
- Сварочное производство -
- Машина контактной сварки
Машина контактной сварки
0
268
6252
24
0
20

Сообщить о проблеме
Автор
Дата
29.11.2012
Язык
Русский
Состав
Сборочный чертёж, Спецификация
Софт
КОМПАС-3D 12
Как открыть?
Отзывов пока нет
Содержимое архива
Чтобы скачать чертеж, 3D модель или проект, Вы должны зарегистрироваться
и принять участие в жизни сайта. Посмотрите, как тут скачивать
файлы
Отзывов пока нет
Чтобы задать вопрос, необходимо войти
Войти с помощью:
Ссылка на логин через google
Ссылка на логин через vk
Ссылка на логин через yandex