Перейти к содержимому
Войти

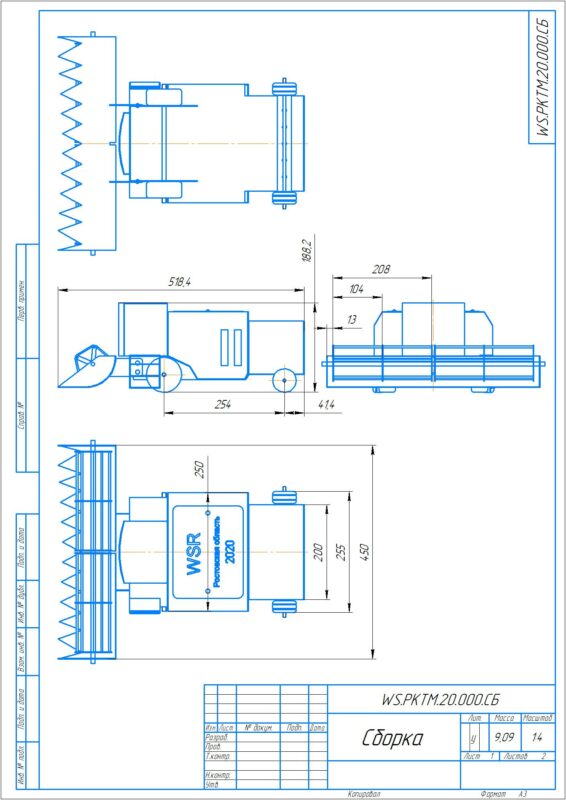
Игрушка комбайн в сборе

0
1
34
0
0
80

3D-модель игрушечного комбайна, выполненного из листовых деталей. Толщина листовых деталей 1,4 мм. Детали, входящие в сборку подойдут для лазерной резки.


Сообщить о проблеме
Автор
user-avatar xks_21
Дата
09.04.2026
Язык
Русский
Состав
3D сборка, Детали с историей построения, Чертежи
Софт
КОМПАС-3D 18.1 Как открыть?
Отзывов пока нет
Задать вопрос
Содержимое архива
    • icon-cdw WS.РКТМ.01.01 - Основание.cdw
    • icon-jpg WS.РКТМ.01.01 - Основание.jpg
    • icon-m3d WS.РКТМ.01.01 - Основание.m3d
    • icon-cdw WS.РКТМ.01.02 - Передний корпус.cdw
    • icon-jpg WS.РКТМ.01.02 - Передний корпус.jpg
    • icon-m3d WS.РКТМ.01.02 - Передний корпус.m3d
    • icon-cdw WS.РКТМ.01.04 - Передняя крышка.cdw
    • icon-jpg WS.РКТМ.01.04 - Передняя крышка.jpg
    • icon-m3d WS.РКТМ.01.04 - Передняя крышка.m3d
    • icon-cdw WS.РКТМ.01.05 - Корпус задний.cdw
    • icon-jpg WS.РКТМ.01.05 - Корпус задний.jpg
    • icon-m3d WS.РКТМ.01.05 - Корпус задний.m3d
    • icon-cdw WS.РКТМ.01.05 - Средняя крышка.cdw
    • icon-jpg WS.РКТМ.01.05 - Средняя крышка.jpg
    • icon-m3d WS.РКТМ.01.05 - Средняя крышка.m3d
    • icon-cdw WS.РКТМ.01.06 - Задняя крышка.cdw
    • icon-jpg WS.РКТМ.01.06 - Задняя крышка.jpg
    • icon-m3d WS.РКТМ.01.06 - Задняя крышка.m3d
    • icon-cdw WS.РКТМ.02.01 - Кабина.cdw
    • icon-jpg WS.РКТМ.02.01 - Кабина.jpg
    • icon-m3d WS.РКТМ.02.01 - Кабина.m3d
    • icon-cdw WS.РКТМ.02.02 - Крыша кабины.cdw
    • icon-jpg WS.РКТМ.02.02 - Крыша кабины.jpg
    • icon-m3d WS.РКТМ.02.02 - Крыша кабины.m3d
    • icon-cdw WS.РКТМ.02.03 - Ветровое стекло.cdw
    • icon-jpg WS.РКТМ.02.03 - Ветровое стекло.jpg
    • icon-m3d WS.РКТМ.02.03 - Ветровое стекло.m3d
    • icon-cdw WS.РКТМ.03.01 - Крепление задних колес.cdw
    • icon-jpg WS.РКТМ.03.01 - Крепление задних колес.jpg
    • icon-m3d WS.РКТМ.03.01 - Крепление задних колес.m3d
    • icon-cdw WS.РКТМ.03.02 - Ось задняя.cdw
    • icon-jpg WS.РКТМ.03.02 - Ось задняя.jpg
    • icon-m3d WS.РКТМ.03.02 - Ось задняя.m3d
    • icon-cdw WS.РКТМ.03.04 - Переднее крепление.cdw
    • icon-jpg WS.РКТМ.03.04 - Переднее крепление.jpg
    • icon-m3d WS.РКТМ.03.04 - Переднее крепление.m3d
    • icon-cdw WS.РКТМ.03.05 - Ось Передняя.cdw
    • icon-jpg WS.РКТМ.03.05 - Ось Передняя.jpg
    • icon-m3d WS.РКТМ.03.05 - Ось Передняя.m3d
    • icon-cdw WS.РКТМ.04.01 - Корпус жатки.cdw
    • icon-jpg WS.РКТМ.04.01 - Корпус жатки.jpg
    • icon-m3d WS.РКТМ.04.01 - Корпус жатки.m3d
    • icon-cdw WS.РКТМ.04.02 - Боковина жатки.cdw
    • icon-jpg WS.РКТМ.04.02 - Боковина жатки.jpg
    • icon-m3d WS.РКТМ.04.02 - Боковина жатки.m3d
    • icon-cdw WS.РКТМ.04.03 - Крепление жатки.cdw
    • icon-jpg WS.РКТМ.04.03 - Крепление жатки.jpg
    • icon-m3d WS.РКТМ.04.03 - Крепление жатки.m3d
    • icon-cdw WS.РКТМ.04.04 - Звезда матавила.cdw
    • icon-jpg WS.РКТМ.04.04 - Звезда матавила.jpg
    • icon-m3d WS.РКТМ.04.04 - Звезда матавила.m3d
    • icon-cdw WS.РКТМ.04.05 - Ось матавила центр.cdw
    • icon-jpg WS.РКТМ.04.05 - Ось матавила центр.jpg
    • icon-m3d WS.РКТМ.04.05 - Ось матавила центр.m3d
    • icon-cdw WS.РКТМ.04.06 - Перемычка матавила.cdw
    • icon-jpg WS.РКТМ.04.06 - Перемычка матавила.jpg
    • icon-m3d WS.РКТМ.04.06 - Перемычка матавила.m3d
    • icon-cdw WS.РКТМ.05.02 - Боковина ступенек.cdw
    • icon-jpg WS.РКТМ.05.02 - Боковина ступенек.jpg
    • icon-m3d WS.РКТМ.05.02 - Боковина ступенек.m3d
    • icon-cdw WS.РКТМ.05.03 - Ступенька.cdw
    • icon-jpg WS.РКТМ.05.03 - Ступенька.jpg
    • icon-m3d WS.РКТМ.05.03 - Ступенька.m3d
    • icon-cdw WS.РКТМ.06.01 - Крепление лестницы.cdw
    • icon-jpg WS.РКТМ.06.01 - Крепление лестницы.jpg
    • icon-m3d WS.РКТМ.06.01 - Крепление лестницы.m3d
    • icon-jpg WS.РКТМ.20.000.СБ - Сборка(1).jpg
    • icon-jpg WS.РКТМ.20.000.СБ - Сборка(2).jpg
    • icon-jpg WS.РКТМ.20.000.СБ - Сборка (спец)(1).jpg
    • icon-jpg WS.РКТМ.20.000.СБ - Сборка (спец)(2).jpg
    • icon-spw WS.РКТМ.20.000.СБ - Сборка (спец).spw
    • icon-a3d WS.РКТМ.20.000.СБ - Сборка.a3d
    • icon-cdw WS.РКТМ.20.000.СБ - Сборка.cdw
    • icon-step WS.РКТМ.20.000.СБ - Сборка.stp
    • icon-cdw WS.РКТМ.WS - Табличка.cdw
    • icon-jpg WS.РКТМ.WS - Табличка.jpg
    • icon-m3d WS.РКТМ.WS - Табличка.m3d
    • icon-m3d Колесо заднее.m3d
    • icon-m3d Колесо переднее.m3d
Чтобы скачать чертеж, 3D модель или проект, Вы должны зарегистрироваться и принять участие в жизни сайта. Посмотрите, как тут скачивать файлы
Отзывов пока нет
Чтобы оставить отзыв, необходимо войти
Войти с помощью:

Используя функцию входа через сторонние сервисы, Вы соглашаетесь на обработку персональных данных в соответствии с Политикой конфиденциальности