Уважаемые пользователи! В настоящий момент платежи через ЮKassa временно недоступны в связи с техническими неполадками на стороне сервиса. Функционирует резервный канал оплаты. Если у кого-то из вас не прошёл платёж за 27.04 напишите пожалуйста в контакты.
- Главная -
- Чертежи -
- Строительство -
- Интерьер и мебель -
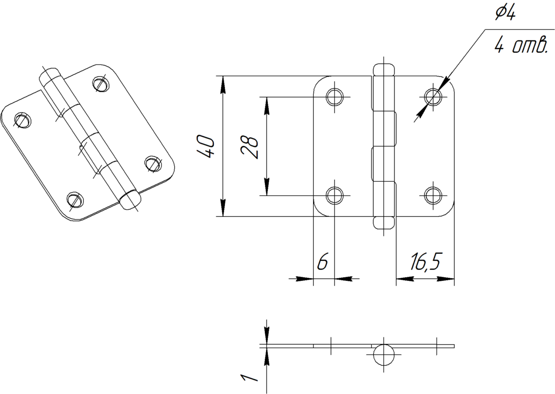
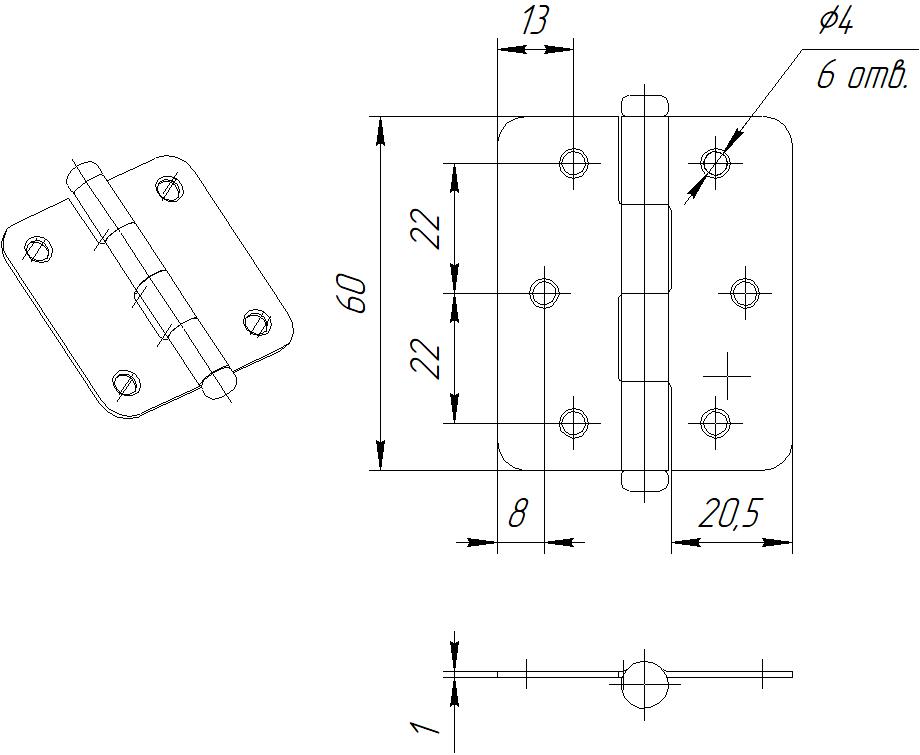
- Петля накладная ПН5 - два вариант -40; -60.
Петля накладная ПН5 - два вариант -40; -60.
0
0
20
0
0
60
Тип петли: петля мебельная.
Два размера петли: -40; -60.
Петля накладная ПН5 предназначена для дверей, окон, форточек, калиток.
Изготовлена из прочного и долговечного материала, позволяющего выдерживать значительные нагрузки.
Сообщить о проблеме
Автор
Дата
03.04.2026
Язык
Русский
Состав
3D Сборка
Софт
SolidWorks 25
Как открыть?
Отзывов пока нет
Содержимое архива
-
-
Петля форточная ПН5-40р-2.SLDPRT
-
Петля форточная ПН5-40р.SLDASM
-
Петля форточная ПН5-40р.SLDPRT
-
Петля форточная ПН5-40р.STEP
-
Петля форточная ПН5-60р-2.SLDPRT
-
Петля форточная ПН5-60р.SLDASM
-
Петля форточная ПН5-60р.SLDPRT
-
Петля форточная ПН5-60р.STEP
-
Чтобы скачать чертеж, 3D модель или проект, Вы должны зарегистрироваться
и принять участие в жизни сайта. Посмотрите, как тут скачивать
файлы
Отзывов пока нет
Чтобы оставить отзыв, необходимо войти
Войти с помощью:
Используя функцию входа через сторонние сервисы, Вы соглашаетесь на обработку персональных данных в соответствии с Политикой конфиденциальности
Используя функцию входа через сторонние сервисы, Вы соглашаетесь на обработку персональных данных в соответствии с Политикой конфиденциальности