Перейти к содержимому
Войти

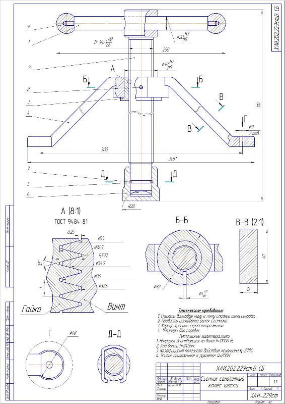
Съемник самолётный колёс шасси

0
0
148
1
0
30

Национальный аэрокосмический университет им. Н. Е. Жуковского
Кафедра теоретической механики, машиноведения и роботомеханических систем
Съемник самолётный колёс шасси
Харьков 2011

Технические требования:
1. Смазать винтовую пару и пяту смазкой типа солидол.
2. Провести цинкование ручек съемника.
3. Корпус красить серой нитроэмалью.
4. *Размеры для справок.

Технические характеристики:
1. Нагрузка действующая на винт F=11000 Н;
2. Ход винта h=240мм;
3. Коэффициент полезного действия механизма η=27%
4. Усилие приложенное к рукоятке Q=200Н


Сообщить о проблеме
Дата
02.02.2022
Язык
Русский
Состав
Съемник самолётный колёс шасси, Спецификация
Софт
КОМПАС-3D 14 SP2 Как открыть?
Отзывов пока нет
Задать вопрос
Содержимое архива
  • icon-cdw
    Спецификация.cdw
  • icon-cdw
    Съемник самолётный колёс шасси.cdw
Чтобы скачать чертеж, 3D модель или проект, Вы должны зарегистрироваться и принять участие в жизни сайта. Посмотрите, как тут скачивать файлы
Отзывов пока нет
Чтобы оставить отзыв, необходимо войти
Войти с помощью:

Используя функцию входа через сторонние сервисы, Вы соглашаетесь на обработку персональных данных в соответствии с Политикой конфиденциальности