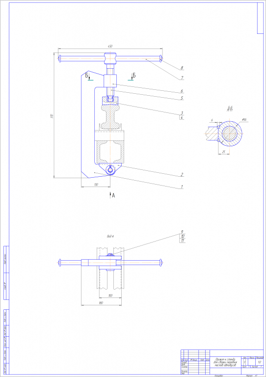
В данной работе представлен сборочный чертеж прижима к стенду для сборки передних мостов автобусов. Также имеется конструкторская часть (один лист чертеж) с описанием работы и спецификация.
- Главная -
- Чертежи -
- Транспорт -
- Автосервис и автомобильное хозяйство -
- Чертеж прижима к стенду для сборки передних мостов автобусов
Чертеж прижима к стенду для сборки передних мостов автобусов
0
166
1363
2
0
20
Сообщить о проблеме
Автор
Дата
04.03.2014
Язык
Русский
Состав
Сборочный чертеж(СБ), Спецификация, Описание работы
Софт
КОМПАС-3D 13
Как открыть?
Отзывов пока нет
Содержимое архива
-
-
Описание работы.cdw
-
Прижим к стенду.cdw
-
Спецификация.cdw
-
Чтобы скачать чертеж, 3D модель или проект, Вы должны зарегистрироваться
и принять участие в жизни сайта. Посмотрите, как тут скачивать
файлы
Отзывов пока нет
Чтобы оставить отзыв, необходимо войти
Войти с помощью:
Используя функцию входа через сторонние сервисы, Вы соглашаетесь на обработку персональных данных в соответствии с Политикой конфиденциальности
Используя функцию входа через сторонние сервисы, Вы соглашаетесь на обработку персональных данных в соответствии с Политикой конфиденциальности