Перейти к содержимому
Войти

Проектирование оборудования для заправочных работ (маслораздаточная колонка)

1
5
156
5
0
50

Областное учреждение бюджетное общеобразовательное
Учреждение среднего профессионального образования
«Рязанский колледж электроники»Цикловая комиссия Автомобильного транспорта
Специальность 23.02.03. «Техническое обслуживание и ремонт
автомобильного транспорта»

КУРСОВОЙ ПРОЕКТ
По учебной дисциплине: «Технологическое обслуживание автомобилей»
Тема: Проектирование оборудования для заправочных работ.
(маслораздаточная колонка)

2016

маслораздаточная колонка
Данная курсовая работа содержит в себе:
- пояснительную записку в объеме 27 страниц, содержащую:
• введение, 4 главы и заключение;
• 6 рисунков;
• 4 таблицы;
• сведения об использованной литературе;
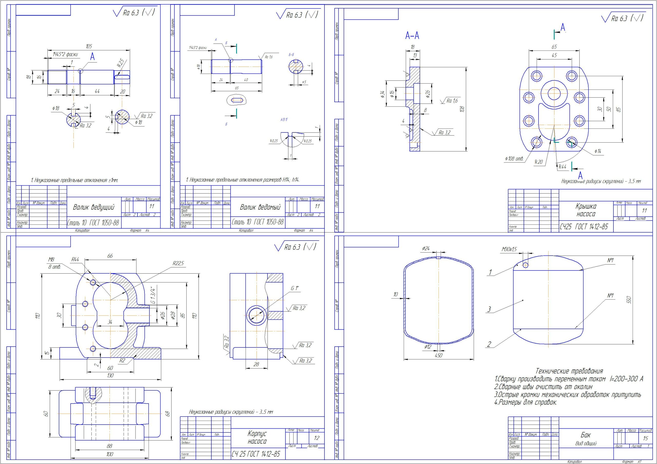
- графическую часть, которая включает в себя:
• 1-й лист - общий вид маслораздаточной колонки (формат А1);
• 2-й лист – рабочие чертежи деталей установки (формат А1);
- спецификации на сборочные единицы.

Содержание
Задание.............................................................................................................................3
Реферат.............................................................................................................................4
Введение...........................................................................................................................5
1. Обоснование рационального выбора конструкции технологического оборудования....................................................................................................................6
1.1 Постановка цели и задач совершенствования конструкции оборудования........6
1.2 Анализ функциональных и технологических требований к
технологическому оборудованию.................................................................................7
1.3 Систематизация патентной документации.............................................................7
1.4 Анализ и оценка патентной информации.............................................................13
2. Выбор и описание предлагаемой модернизации конструкции
технологического оборудования................................................................................18
3. Разработка технологической карты технического обслуживания
оборудования (выполнение работ на оборудовании)................................................19
4. Охрана труда и экологические мероприятия.........................................................22
Заключение....................................................................................................................24
Список использованной литературы...........................................................................25
Приложение……………………………………………………………………………26


Сообщить о проблеме
Автор
user-avatar dmitrij1996
Дата
03.12.2024
Язык
Русский
Состав
чертежи, ПЗ, Спецификация
Софт
КОМПАС-3D 16 Как открыть?
Отзывов пока нет
Задать вопрос
Содержимое архива
  • icon-cdw А1-общий вид колонки_исп.cdw
  • icon-jpg А1-общий вид колонки_исп.jpg
  • icon-doc К.р. на колонку.docx
  • icon-frw Спецификац Бак_исп.frw
  • icon-jpg Спецификац Бак_исп.jpg
  • icon-frw Спецификац колонка.frw
  • icon-jpg Спецификац колонка.jpg
  • icon-cdw лист 2 - Деталировка.cdw
  • icon-jpg лист 2 - Деталировка.jpg
Чтобы скачать чертеж, 3D модель или проект, Вы должны зарегистрироваться и принять участие в жизни сайта. Посмотрите, как тут скачивать файлы
Отзывов пока нет
Чтобы оставить отзыв, необходимо войти
Войти с помощью:

Используя функцию входа через сторонние сервисы, Вы соглашаетесь на обработку персональных данных в соответствии с Политикой конфиденциальности