Перейти к содержимому
Войти

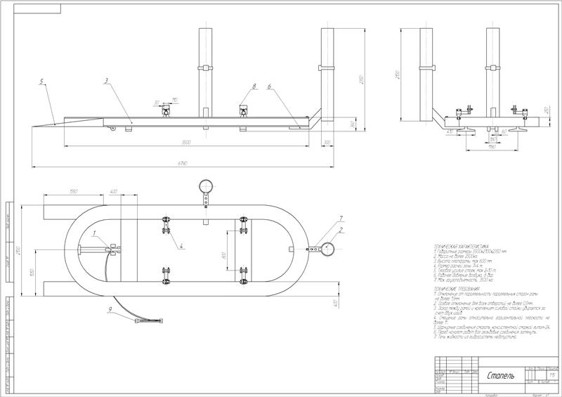
Стапель-стенд для восстановления геометрии кузова автомашины

0
4
85
0
0
50

Стапель — стенд для восстановления геометрии кузова автомашины, устройство, которое позволяет выправлять кузов до нормативных параметров путем приложения разнонаправленных усилий.
Техническая характеристика:
1. Габаритные размеры 5500х2100х2350 мм.
2. Масса не более 2500кг.
3. Высота платформы, мах 600 мм.
4. Размер рабочей зоны 7•4 м.
5. Тяговое усилие стоек, мах 2•10 т.
6. Рабочее давление воздуха, 8 бар.
7. Мах. грузоподъёмность, 3500 кг.

 


Сообщить о проблеме
Автор
user-avatar Shixnazar
Дата
10.03.2026
Язык
Русский
Состав
Вид общий (ВО), лист деталировка на формате А1, Спецификация
Софт
КОМПАС-3D 13 Как открыть?
Отзывов пока нет
Задать вопрос
Содержимое архива
  • icon-cdw Специф1Стапель.cdw
  • icon-jpg Специф1Стапель.jpg
  • icon-doc Стапель.docx
  • icon-frw деталировка.frw
  • icon-jpg деталировка.jpg
  • icon-cdw стапель.cdw
  • icon-jpg стапель.jpg
Чтобы скачать чертеж, 3D модель или проект, Вы должны зарегистрироваться и принять участие в жизни сайта. Посмотрите, как тут скачивать файлы
Отзывов пока нет
Чтобы оставить отзыв, необходимо войти
Войти с помощью:

Используя функцию входа через сторонние сервисы, Вы соглашаетесь на обработку персональных данных в соответствии с Политикой конфиденциальности