Перейти к содержимому
Войти

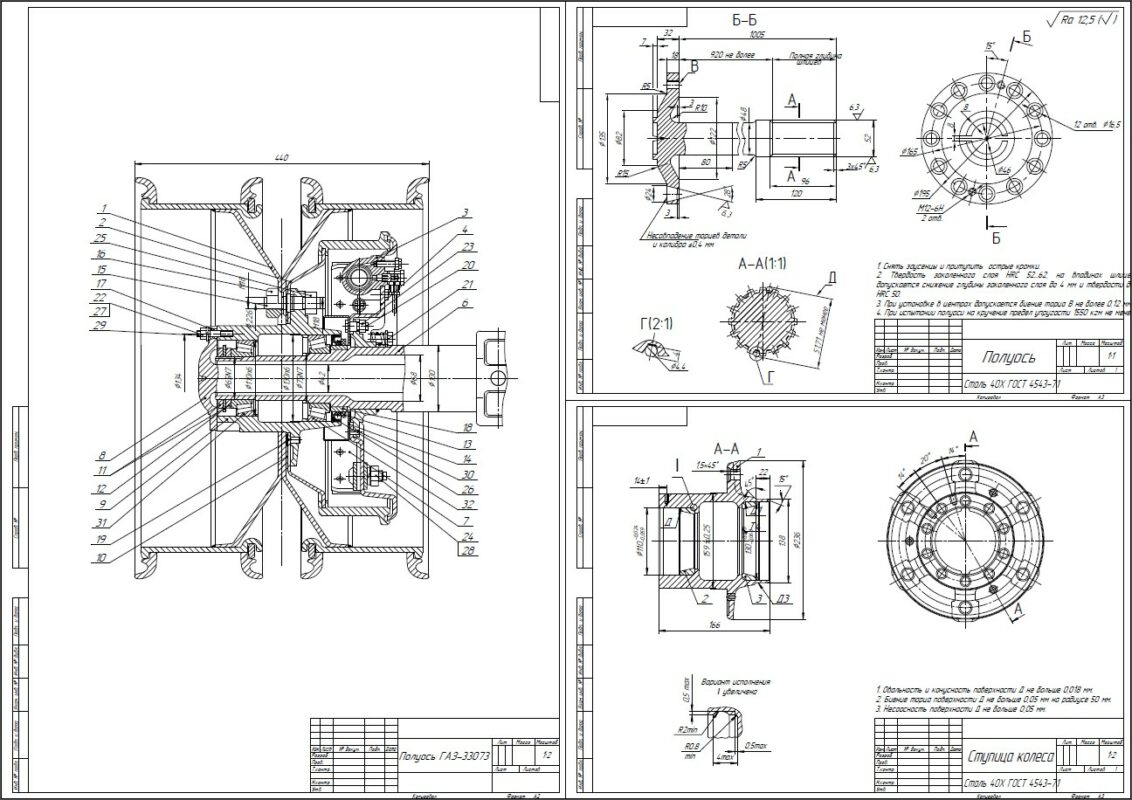
Полуось ГАЗ-3307 + 2 детали

0
0
15
0
0
60

«Южно-Уральский государственный университет» (национальный исследовательский университет)
2021

Сборочный чертеж полуоси автомобиля ГАЗ-3307, деталировка (ступица и полуось), спецификация


Сообщить о проблеме
Автор
user-avatar Иван
Дата
25.03.2024
Язык
Русский
Состав
Полуось (СБ), Деталировка (полуось, ступица колеса), Спецификация
Софт
КОМПАС-3D 16.1 Как открыть?
Отзывов пока нет
Задать вопрос
Содержимое архива
  • icon-cdw Полуось+Деталировка.cdw
  • icon-cdw Спецификация.cdw
  • icon-cdw Спецификация Ступица колеса.cdw
Чтобы скачать чертеж, 3D модель или проект, Вы должны зарегистрироваться и принять участие в жизни сайта. Посмотрите, как тут скачивать файлы
Отзывов пока нет
Чтобы оставить отзыв, необходимо войти
Войти с помощью:

Используя функцию входа через сторонние сервисы, Вы соглашаетесь на обработку персональных данных в соответствии с Политикой конфиденциальности