Перейти к содержимому
Войти

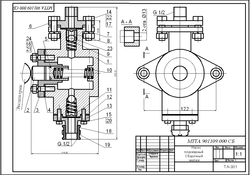
Компоновка плунжерного насоса

1
290
14121
49
1
20

Новосибирский Государственный Университет
Кафедра машиностроения
Расчетно - графическая работа по дисциплине - Инженерная графика
На тему: Плунжерный насос
Новосибирск 2012

В данной работе проектируется плунжерный насос и разрабатывается его компоновка. МТТА.901109.000.СБ


Сообщить о проблеме
Дата
26.11.2013
Язык
Русский
Состав
Насос плунжерный(СБ), Спецификация
Софт
AutoCAD 2008 Как открыть?
Отзывов пока нет
Задать вопрос
Содержимое архива
  • Насос плунжерный
    • насос плунженый СБ.dwg
    • спецификация.dwg
Чтобы скачать чертеж, 3D модель или проект, Вы должны зарегистрироваться и принять участие в жизни сайта. Посмотрите, как тут скачивать файлы
Отзывов пока нет
Чтобы оставить отзыв, необходимо войти
Войти с помощью:

Используя функцию входа через сторонние сервисы, Вы соглашаетесь на обработку персональных данных в соответствии с Политикой конфиденциальности