Проверка оборудования вводных ячеек 6кВ ЗРУ 6кВ Очистных сооружений водопровода на пропускную способность с учетом увеличения присоединяемой мощности
проект состоит:
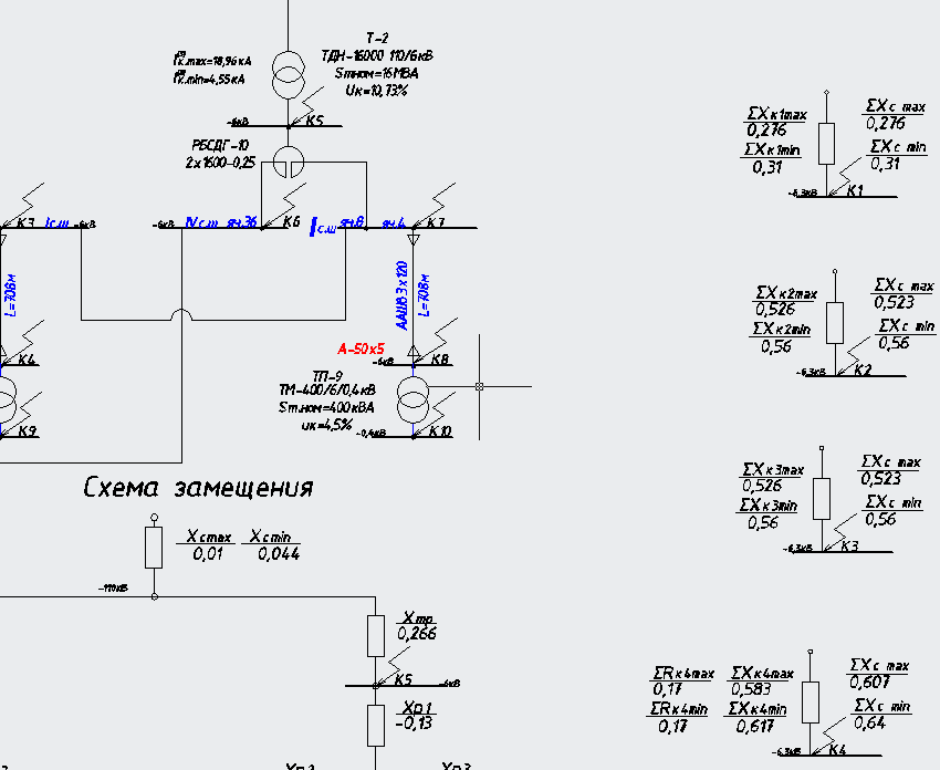
-общие данные
-однолинейная схема электроснабжения
-расчет токов короткого замыкания
-Проверка оборудования по токам короткого
замыкания. Проверка сечения кабелей и
сборных шин 6кВ.
-Расчет уставок РЗ
- Главная -
- Чертежи -
- Инженерные системы -
- Электроснабжение и освещение -
- Проект. расчет.Проверка оборудования вводных ячеек 6кВ ЗРУ 6кВ Очистных сооружений водопровода на пропускную способность с учетом увеличения присоединяемой мощности
Проект. расчет.Проверка оборудования вводных ячеек 6кВ ЗРУ 6кВ Очистных сооружений водопровода на пропускную способность с учетом увеличения присоединяемой мощности
0
94
664
0
0
50

Сообщить о проблеме
Автор
Дата
17.02.2016
Язык
Русский
Состав
проект состоит: -общие данные -однолинейная схема электроснабжения -расчет токов короткого замыкания -Проверка оборудования по токам короткого замыкания. Проверка сечения кабелей и сборных шин 6кВ. -Расчет уставок РЗ
Софт
AutoCAD 14
Как открыть?
Отзывов пока нет
Содержимое архива
Чтобы скачать чертеж, 3D модель или проект, Вы должны зарегистрироваться
и принять участие в жизни сайта. Посмотрите, как тут скачивать
файлы
Отзывов пока нет
Чтобы задать вопрос, необходимо войти
Войти с помощью:
Ссылка на логин через google
Ссылка на логин через vk
Ссылка на логин через yandex