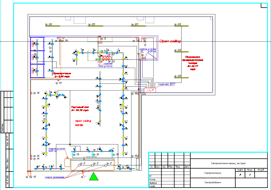
Внутренее электроснабжение магазина Lee Cooper которой находится в нутри ТРЦ стадия Р
- Главная -
- Чертежи -
- Инженерные системы -
- Электроснабжение и освещение -
- Внутренее электроснабжение магазина Lee Cooper
Внутренее электроснабжение магазина Lee Cooper
1
0
29
0
0
20
Сообщить о проблеме
Автор
Дата
21.02.2026
Язык
Украинский
Состав
5 листов чертежей 1 лист спецификация
Софт
AutoCAD 19
Как открыть?
Отзывов пока нет
Содержимое архива
-
Lee Cooper.dwg
Чтобы скачать чертеж, 3D модель или проект, Вы должны зарегистрироваться
и принять участие в жизни сайта. Посмотрите, как тут скачивать
файлы
Отзывов пока нет
Чтобы оставить отзыв, необходимо войти
Войти с помощью:
Используя функцию входа через сторонние сервисы, Вы соглашаетесь на обработку персональных данных в соответствии с Политикой конфиденциальности
Используя функцию входа через сторонние сервисы, Вы соглашаетесь на обработку персональных данных в соответствии с Политикой конфиденциальности