Перейти к содержимому
Войти

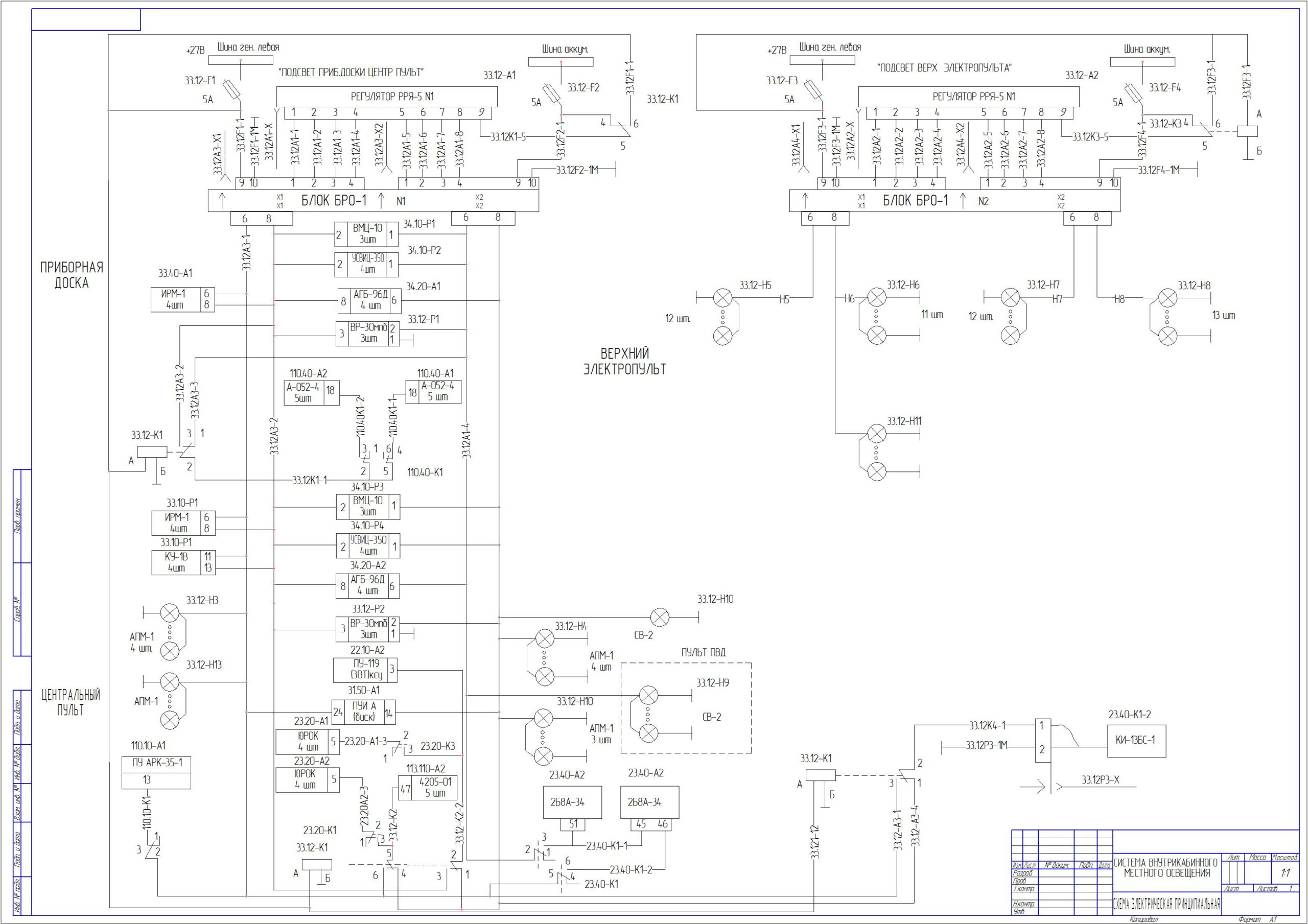
Внутренее освещение вертолоета

0
34
301
0
0
20

ЧГУ Кафедра элетрооборудования, Электрические машины, освещение вертолета, 2017

внутреннее освещение вертолета ми-8, принципиальная схема панели приборов, блок буано


Сообщить о проблеме
Автор
user-avatar slav9n95
Дата
07.06.2017
Язык
Русский
Состав
СИСТЕМА ВНУТРИКАБИННОГО МЕСТНОГО ОСВЕЩЕНИЯ
Софт
КОМПАС-3D 16,1 Как открыть?
Отзывов пока нет
Задать вопрос
Содержимое архива
  • icon-cdw Внутрикабинное освещение-1.cdw
Чтобы скачать чертеж, 3D модель или проект, Вы должны зарегистрироваться и принять участие в жизни сайта. Посмотрите, как тут скачивать файлы
Отзывов пока нет
Чтобы оставить отзыв, необходимо войти
Войти с помощью:

Используя функцию входа через сторонние сервисы, Вы соглашаетесь на обработку персональных данных в соответствии с Политикой конфиденциальности