Перейти к содержимому
Войти

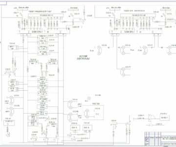
Cистема внутреннего освещения временного здания ремонтной зоны.

0
118
632
1
0
20

Согласно технического задания, проектом предусматривается монтаж системы внутреннего освещения временного здания ремонтной зоны, питающих кабелей и схемы управления освещением

Полная расчетная мощность потребителей электроосветительного оборудования временного здания ремонтной зоны составляет:
0,825 кВт – рабочее освещение временного здания ремонтной зоны.
0,275 кВт – аварийное освещение временного здания ремонтной зоны.


Сообщить о проблеме
Автор
user-avatar Alexander810
Дата
23.07.2016
Язык
Русский
Состав
Чертежи, пояснительная записка, спецификация
Софт
Отзывов пока нет
Задать вопрос
Содержимое архива
  • icon-doc Новая папка\Пояснительная записка - для сайта.docx
  • icon-doc Новая папка\Спецификация - для сайта.doc
  • icon-dwg Новая папка\Чертежи для сайта.dwg
Чтобы скачать чертеж, 3D модель или проект, Вы должны зарегистрироваться и принять участие в жизни сайта. Посмотрите, как тут скачивать файлы
Отзывов пока нет
Чтобы оставить отзыв, необходимо войти
Войти с помощью:

Используя функцию входа через сторонние сервисы, Вы соглашаетесь на обработку персональных данных в соответствии с Политикой конфиденциальности