Перейти к содержимому
Войти

Теплоснабжение от ЦТП жилого микрорайона г.Владимир

0
0
21
0
0
70

РУТ (МИИТ)
Кафедра теплоэнергетика железнодорожного транспорта
Выпускная бакалаврская работа
На тему: Теплоснабжение от ЦТП микрорайона г. Владимир

В качестве объекта теплоснабжения рассматривается Городской округ Владимир, который имеет площадь 329,67 км2 в т.ч. 137,14 км2 – город Владимир и население на 2021 – 354 752 человек, в т.ч. 352 347 человек – городское население, 2405 – сельское население . Общая площадь жилого фонда – 9719 тыс. м2. В период с 2020 по 2022 год введено в эксплуатацию домов суммарной площадью 366 тыс. м . Перспективное развитие города и увеличения существующей застройки на период до 2027 годов по прогнозам составит 1093 тыс м2 жилой площади [4].
Расположение микрорайона г. Владимир, микрорайон Веризино-1, 8 жилых зданий и детский сад, 1995 жителей, общая площадь зданий 71043,4 кв.м.
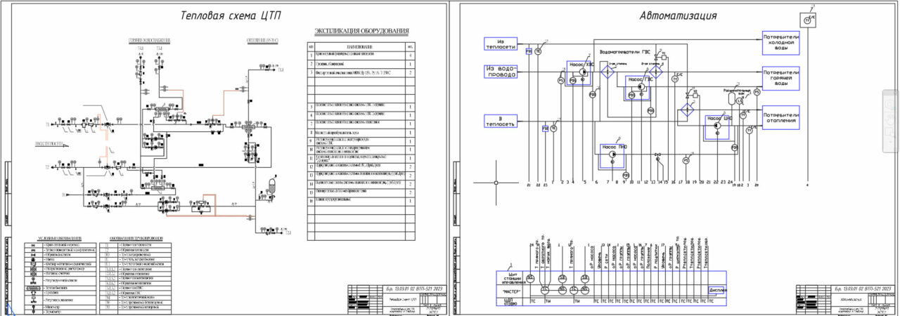
В работе разрабатывался центральный тепловой пункт (ЦТП) для теплоснабжения жилого микрорайона. Произведен анализ и обоснование возможности подключение ЦТП к тепловым сетям г. Владимир. Рассчитаны тепловые нагрузки отопления, вентиляции и горячего водоснабжения в соответствии с СП 50.13330.2012 "Тепловая защита зданий". Выбрана независимая схема подключения системы отопления и двухступенчатая схема ГВС. Выполнен расчет тепловой схемы и выбор и подробный расчет пластинчатых теплообменных апартов для отопления и горячего водоснабжения. Разработана и обоснована схема автоматизации теплового пункта, отдельно проработана система подпитки отопления с применением прессостата.
В работе 4 чертежа. Тепловая схема ЦТП, Автоматизация, Компоновка оборудования, Схема тепловых сетей

Содержание
Введение 2
1. Предложения по присоединению ЖК «Веризино-1» к системе централизованного теплоснабжения города Владимир 6
1.1 Сведения о теплоснабжении в г. Владимир 6
1.2 Информация и характеристики рассматриваемого района проектирования 8
1.3 Расчет годового теплопотребления на нужды отопления и ГВС 11
1.4 Обоснование возможности подключения потребителей через 17
тепловой пункт к тепловой сети 17
2. Расчет тепловой схемы ЦТП 20
2.1 Расход сетевой воды на воде в ЦТП 23
3 Расчет и выбор водо-водяных подогревателей. 29
3.1 Водоподогреватель системы отопления 29
3.2.Пластинчатые водоподогреватели 31
3.3. Расчет и выбор пластинчатого водоподогревателя Iступени системы ГВС. 38
3.3. Гидравлический расчет пластинчатого водоподогревателя 42
системы ГВС I ступени. 42
3.4. Расчет пластинчатого водоподогревателя II ступени системы. 42
5. Автоматика 48
Список использованных источников 56


Сообщить о проблеме
Дата
11.04.2026
Язык
Русский
Состав
Схема сетей района, Тепловая схема ЦТП, План расположения оборудования ЦТП, Автоматизация, ПЗ
Софт
Отзывов пока нет
Задать вопрос
Содержимое архива
  • icon-dwg 2.Схема сетей района.dwg
  • icon-doc Пояснтельная записка.docx
  • icon-dwg Чертежи.dwg
Чтобы скачать чертеж, 3D модель или проект, Вы должны зарегистрироваться и принять участие в жизни сайта. Посмотрите, как тут скачивать файлы
Отзывов пока нет
Чтобы оставить отзыв, необходимо войти
Войти с помощью:

Используя функцию входа через сторонние сервисы, Вы соглашаетесь на обработку персональных данных в соответствии с Политикой конфиденциальности